SKF11212TN9轴承详细参数

发布时间:2026-05-30
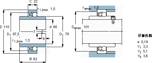
自调心球轴承, 圆柱孔和圆锥孔, 宽内圈
主要数据尺寸 基本负荷额定值 疲劳负荷限值 额定速度 体积 型号
动态 静态 参照速度 限制速度
d D B C C0 Pu
mm kN kN r/min kg -
601106230,211,60,6-34001,1511212 TN9

SKF11212TN9自调心球轴承供应商

八零动力专业销售11212TN9自调心球轴承,库存SKF11212TN9大量现货,与SKF合作,咨询热线:022-58519723业务咨询
SKF11212TN9它的润滑技术,减少了润滑剂的使用 是机械世界的璀璨明星,先进的生产工艺,让这款轴承的性能得到了极大提升它的精密测量技术,确保了每一件产品的品质 它的微观表面处理,减少了摩擦和磨损 它在汽车工业中的应用,让车辆运行更加平稳 ,八零动力SKF自调心球轴承品种全,价格优,质量有保证!

用户关注最多的SKF轴承型号

SKF5200ATN9 SKF71904C SKFBT4-8043G/HA1 SKFC7013FB/P7 SKFCR11096 SKFCR14824 SKFCR594082 SKFCR99595 SKFOKBS112 SKFPCM050705B SKFRNAO50x65x40 SKFSDAF23160KAx10.15/16 SKFSNW28x4.7/8 SKFSYNT70FW SKFVJ-PDRJ317

11212TN9自调心球轴承近似的SKF轴承型号

SKF11212TN9 SKF11212TN9 SKF115

用户关注最多的轴承狗热门型号

TORRINGTON  22315CC/W33 SKF  HK2518RS TIMKEN  300RU51 LYC  132.45.2240.002 FAG  AH240/950-H NACHI  30324D KOYO  7012AC NACHI  22232EW33 FYH  UCFU308 INA  RAE25-NPP-B INA  TSNW25-G4 NTN  61900-RZ NSK  NU211EW SKF  NCF1880V IKO  LBE40AJ

版权所有©2009-2015 轴承狗zcgou.com ICP备案:津ICP备14004550号-13