

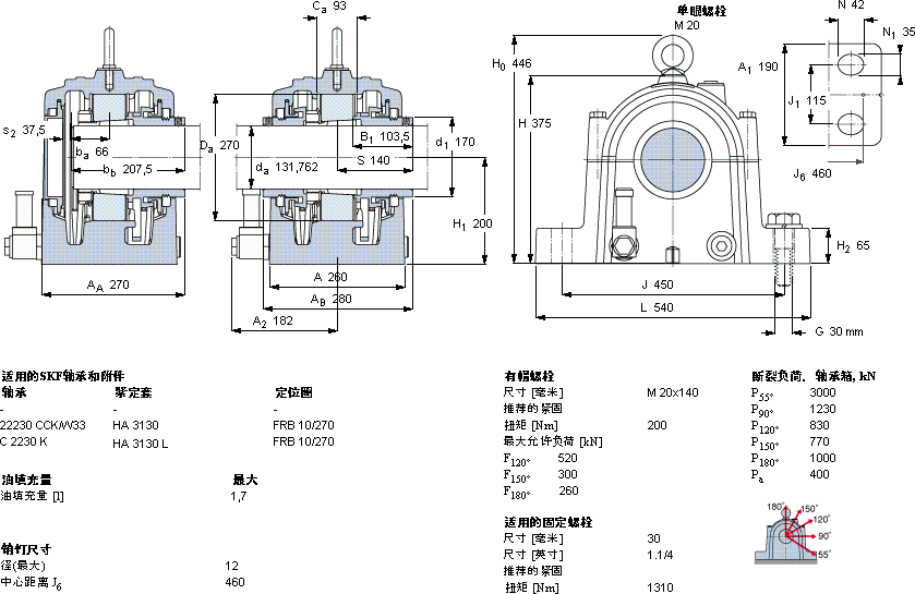
| 剖分立式轴承座, SONL, 用于紧定套安装轴承 | |||||||||||||
| 轴 | 适宜的轴承 | 轴承座 | |||||||||||
| (基本型号) | 主要数据尺寸 | 体积 | 型号 | ||||||||||
| 球面滚子 | CARB | 轴承座 | 封印工具 | 端盖 | 定位圈 | ||||||||
| da | 轴承 | 轴承 | A | L | H | H1 | (2 必需) | ||||||
| mm | mm | kg | - | ||||||||||
| 131,762 | - | 22230 K | C 2230 K | 260 | 540 | 375 | 200 | 115 | SONL 230-530 | TSO 530/5.3/16 | ECO 230-530 | FRB 10/270 | |
版权所有©2009-2015 轴承狗zcgou.com ICP备案:津ICP备14004550号-13