INA VLU200744四点接触球轴承尺寸图纸
VLU20系列轻系列 20, 无齿轮齿,两侧唇密封的滚动轴承和滑动轴承,组件
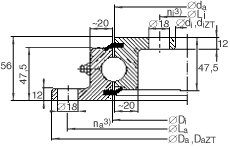
| di | 634 mm | 公差: +0,6 |
|---|
| Da | 848 mm | 公差: -0,6 |
|---|
|
| |
| Da ZT | 846 mm | 适用于带定心套的轴承(后缀 ZT) 定心套长度(见零件图) 公差:-IT8 |
|---|
| Di | 745,5 mm | 公差: +0,6 |
|---|
| da | 742,5 mm | 公差: -0,6 |
|---|
| di ZT | 636 mm | 适用于带定心套的轴承(后缀 ZT) 定心套长度(T,t)(见零件图) 公差:+IT8 |
|---|
| H | 56 mm | |
|---|
| La | 820 mm | |
|---|
| Li | 662 mm | |
|---|
| na | 12 | 外圈固定孔的数量 |
|---|
| ni | 16 | 内圈固定孔的数量 |
|---|
|
| |
| m | 42,5 kg | 质量 |
|---|
| Fr per | 93600 N | 克服摩擦的最大许用径向载荷 |
|---|
| Ca | 211000 N | 基本额定动载荷,轴向 |
|---|
| C0a | 530000 N | 基本额定静载荷,轴向 |
|---|
| Cr | 138000 N | 基本额定动载荷,径向 |
|---|
| C0r | 198000 N | 基本额定静载荷,径向 |
|---|
| | | 4个锥形润滑油嘴,根据 DIN 71412-A S8x1,环向均匀间隔 | | | | 内外圈上不带孔的轴承也适合。 |
|
八零动力专业销售德国INAVLU200744四点接触球轴承,库存德国INAVLU200744四点接触球轴承大量现货,与厂家常年批量订购VLU200744轴承,咨询热线:022-58519723
INAVLU200744,我选八零动力,品种全,价格优,质量有保证!大客户热线:022-58519722
其他品牌VLU200744轴承同类可代替型号
VLU200744它的润滑技术,减少了润滑剂的使用 它的加工精度,确保了机械运转的稳定性 它的高可靠性,减少了设备停机时间 精湛的制造工艺赋予了这款轴承卓越的性能和品质 坚固耐用不得不说,这款轴承的品质过硬,在行业内堪称典范,是您机械世界里的不败功臣,是您设备高效运转的可靠伙伴,VLU200744
INAVLU200644 INAVLU200844
INA VLA200744-N
INA VLI200744-N
INA VSI200744-N
INA VLU200744
INA VSU200744
INA VSA200744-N
热门点击型号
FAG VRE308-C
INA ZKLF50140-2RS
FAG SNV120-L+222S.203+TCV513X203
FAG SNV130-L+20215-TVP+FSV215
INA SD32X42X4
FAG SNV140-L+222SM70-TVPA+FSV516
FAG 23048-MB
FAG B7232-C-T-P4S
FAG 7319-B-TVP
INA HN3520
NACHIE32034J
NACHI7315CDT
NSK7016A5TY
NACHINJ322E
BARDEN7015C/DT
BARDEN7013AC/DT
MRC7220C
SKF60/670
LYCNN3028K
NSK52236X
版权所有©2010-2017 轴承狗zcgou.com 上次更新:2026-05-29