INA KWEM12-W滑块尺寸图纸
KWEM..-W系列两排微型直线循环球轴承及导轨组件用的宽系列滑块的直线导引系统
|
| |
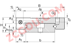
| 1) | | 定位面 |
|---|
| A1 | 8 mm | |
|---|
| A2 | 6 mm | |
|---|
| A3 | 3,2 mm | |
|---|
| aL max | 26,5 mm | |
|---|
| aL min | 6,5 mm | |
|---|
| aR max | 26,5 mm | |
|---|
| aR min | 6,5 mm | |
|---|
| G2 | M3 | 根据 DIN ISO 4762-12.9的螺钉 如果有调节螺钉,应有螺钉防松措施。 最大锁紧力矩(Nm): M2 = 0.6 M3 = 2.2 M4 = 5 |
|---|
| H1 | 3 mm | |
|---|
| h1 | 3,5 mm | |
|---|
| JB | 28 mm | |
|---|
| JL | 15 mm | |
|---|
| jL | 40 mm | |
|---|
| K1 | M4 | 根据 DIN ISO 4762-12.9的螺钉 如果有调节螺钉,应有螺钉防松措施。 最大锁紧力矩(Nm): M2 = 0.6 M3 = 2.2 M4 = 5 |
|---|
| L1 | 31 mm | |
|---|
| lmax | 680 mm | 导轨的最大长度为 L max;更长的导轨需通过协商定制。
可用的标准长度: 120 mm:0.17 kg 160 mm:0.22 kg 240 mm:0.33 kg 320 mm:0.45 kg 400 mm:0.56 kg 480 mm:0.67 kg 680 mm:0.95 kg |
|---|
| T5 | 3,5 mm | |
|---|
|
| |
| mW | 0,076 kg | 滑块的质量 |
|---|
| mS | 1,39 kg/m | 导轨的质量 |
|---|
| CI | 3405 N | 载荷方向 I:压缩载荷 |
|---|
| C0 I | 6200 N | 载荷方向 I:压缩载荷 |
|---|
| CII | 3405 N | 载荷方向 II:拉伸载荷 |
|---|
| C0 II | 6200 N | 载荷方向 II:拉伸载荷 |
|---|
| CIII | 2996 N | 载荷方向 III:横向载荷 |
|---|
| C0 III | 5208 N | 载荷方向 III:横向载荷 |
|---|
| M0x | 75,6 Nm | 额定扭矩 |
|---|
| M0y | 25,7 Nm | 额定扭矩 |
|---|
| M0z | 30,6 Nm | 额定扭矩 |
|---|
|
八零动力专业销售德国INAKWEM12-W滑块,库存德国INAKWEM12-W滑块大量现货,与厂家常年批量订购KWEM12-W轴承,咨询热线:022-58519723
INAKWEM12-W,我选八零动力,品种全,价格优,质量有保证!大客户热线:022-58519722
其他品牌KWEM12-W轴承同类可代替型号
KWEM12-W卓越的性能表现,让这款轴承在市场上脱颖而出它在汽车工业中的应用,让车辆运行更加平稳 它的热处理工艺,增强了它的硬度和韧性 它的品质卓越,是提升机械设备整体性能的关键所在质量上乘的轴承,是提升机械设备性能的关键因素它的微观表面处理,减少了摩擦和磨损 高精度的制造工艺,让这款轴承的性能更加出色它的抗冲击性能,让它经得起各种考验 KWEM12-W
INAKWEM12-L INAKWEM12-WC
INA KWEM12-WL
INA KWEM12
INA KWEM12-W
INA KWEM12-C
INA KWEM12-WC
INA GFW12
INA KWME12-C
INA KWEM12-L
热门点击型号
INA SL183010
FAG SNV270-L+222S.503+DH530X503
FAG SNV190-L+20318-K-MB-C3+H318X302+DH518
FAG 31324-X
FAG BND2232-Z-Y-AL-S
FAG H316X214
INA IR25X30X38,5
INA KUME15-C
INA KWVE15-B-KT-SL
FAG LOE538-N-AL-L
国产K28*33*17
FAGSNV200-L+23222-E1-K-TVPB+H2322X314+FSV522X31
SKFSAFC3048KAx8.1/2
FAGSNV062-L+22206-E1-K+H306X014+FSV506X014
DKF7338B/DF
SKFNU1022
KOYO7009AC/DT
INAK25X30X17
NSK53252XU
INATTUE35
版权所有©2010-2017 轴承狗zcgou.com 上次更新:2026-04-14