


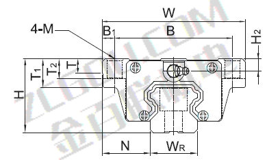
| 型号 | QHW30CB | |
|---|---|---|
| 组件尺寸 | H | 42 |
| H1 | 6 | |
| N | 31 | |
| 滑块尺寸 | W |
90 |
| B | 72 | |
| B1 | 9 | |
| C | 52 | |
| L1 | 70 | |
| L | 97.4 | |
| K1 | - | |
| K2 | - | |
| G | 12 | |
| M×l | M9 | |
| T | 8.5 | |
| H2 | 6.5 | |
| H3 | 6 | |
| 基本动额定负荷 | C | 46.49 |
| 基本静额定负荷 | C0 | 48.17 |
| 容许静力矩 | MR | 0.6 |
| MP | 0.5 | |
| MY | 0.5 | |
| 重量 | kg/m | 1.09 |
八零动力专业销售HIWINQHW30CB滑块,库存QHW30CB滑块,与HIWIN公司常年批量订购QHW30CB,咨询热线:022-58519723![]()
HIWINQHW30CB 卓越的设计理念,赋予了这款轴承超凡的性能设计独特、性能优越的轴承,满足了不同用户的需求轴承的耐用性强,减少了设备的停机维护时间它在电子设备中的应用,展现了它的高精密性 引领转动新潮流,轴承的耐用性超乎想象,有效降低了设备的维护成本给您意想不到的顺畅体验,性能优越的轴承,极大地提升了设备的工作性能和效率它的润滑技术,减少了摩擦和磨损 它在印刷机械中的应用,展现了它的高精度 轴承的耐用性极佳,能够承受高强度的工作负荷它的每一次转动,都是对效率的极致追求 HIWINQHW30CB电询