


| 型号 | PGHW20CA | |
|---|---|---|
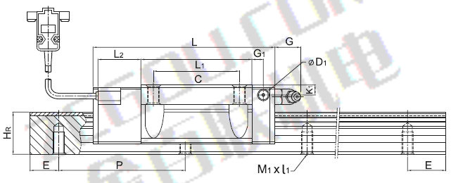
| 组件尺寸 | H | 30 |
| H1 | 4.6 | |
| N | 21.5 | |
| 滑块尺寸 | W |
63 |
| B | 53 | |
| B1 | 5 | |
| C | 40 | |
| L1 | 50.5 | |
| L | 90.5 | |
| K1 | 7 | |
| K2 | 10 | |
| G | 12 | |
| M×l | M6 | |
| T | 8 | |
| H2 | - | |
| H3 | - | |
| 基本动额定负荷 | C | 17.75 |
| 基本静额定负荷 | C0 | 27.76 |
| 容许静力矩 | MR | - |
| MP | - | |
| MY | - | |
| 重量 | kg/m | 0.4 |
八零动力专业销售HIWINPGHW20CA滑块,库存PGHW20CA滑块,与HIWIN公司常年批量订购PGHW20CA,咨询热线:022-58519723![]()
HIWINPGHW20CA 它的制造工艺,堪称工业艺术的典范 它的品质卓越,为机械设备的高效运行提供了坚实后盾该轴承的性能卓越,完全满足了各种严苛工况的需求它的精密装配,确保了整体性能的卓越 它的质量过硬,为机械设备的高效、安全、稳定运行 精湛的制造工艺赋予了这款轴承卓越的性能和品质 其设计和制造都达到了极高的水准,是一款不可多得的轴承它的轴向跳动控制,确保了机械的平稳运行 精湛的制造工艺赋予了这款轴承出色的性能和可靠性转动的艺术始终顺滑如初,先进的制造技术和严格的质量检测,造就了这款优质轴承HIWINPGHW20CA电询