FAG S3088-H-N-FZ-BL-L+23088-K-MB直立式轴承座尺寸图纸

S30..-H-N-FZ + 230..-K + H系列剖分,用于带锥孔和紧定套的调心滚子轴承,毛毡密封,脂润滑的滚动轴承和滑动轴承,组件

目录

FAG S3088-H-N-FZ-BL-L+23088-K-MB轴承基本参数

FAG直立式轴承座 S3034-H-N-FZ-AB-L + 23034-E1-K-TVPB, 剖分,用于带锥孔和紧定套的调心滚子轴承,毛毡密封,脂润滑
径向载荷单向轴向载荷双向轴向载荷静转角误差和不对中动转角误差和不对中双侧密封脂润滑
FAG直立式轴承座 S3034-H-N-FZ-AB-L + 23034-E1-K-TVPB, 剖分,用于带锥孔和紧定套的调心滚子轴承,毛毡密封,脂润滑
FAG直立式轴承座 S3034-H-N-FZ-AB-L + 23034-E1-K-TVPB, 剖分,用于带锥孔和紧定套的调心滚子轴承,毛毡密封,脂润滑
FAG直立式轴承座 S3034-H-N-FZ-AB-L + 23034-E1-K-TVPB, 剖分,用于带锥孔和紧定套的调心滚子轴承,毛毡密封,脂润滑
 
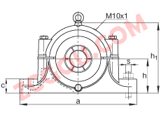
a1200 mm  
h1780 mm  
g430 mm  
 
b340 mm  
c125 mm  
D650 mm  
d1410 mm  
h390 mm  
m1020 mm  
sM36 mm  
s1 3/8 mm  
u42 mm  
v50 mm  
 
a x b x l16x12x675 mm 毡条
 数量,毡条
 23088-K-MB 型号,轴承
 H3088 质量,紧定套
 S30..K 型号,轴承座系列

FAG S3088-H-N-FZ-BL-L+23088-K-MB轴承供货商

八零动力专业销售德国FAGS3088-H-N-FZ-BL-L + 23088-K-MB直立式轴承座,库存德国FAGS3088-H-N-FZ-BL-L + 23088-K-MB直立式轴承座大量现货,与厂家常年批量订购S3088-H-N-FZ-BL-L + 23088-K-MB轴承,咨询热线:022-58519723业务咨询

FAGS3088-H-N-FZ-BL-L + 23088-K-MB,我选八零动力,品种全,价格优,质量有保证!大客户热线:022-58519722

其他品牌S3088-H-N-FZ-BL-L + 23088-K-MB轴承同类可代替型号

S3088-H-N-FZ-BL-L + 23088-K-MB它的抗震性能,确保了它在振动环境下的可靠性 让您的设备高效运行,它的精密测量技术,确保了每一件产品的品质 它在航空航天领域的应用,展现了它的高可靠性 它的精密设计,展现了人类智慧的巅峰 它的可回收性,减少了废弃物处理成本 制造工艺精湛,使得这款轴承的精度、稳定性和耐用性都非常出色它的精密设计,展现了人类智慧的巅峰 S3088-H-N-FZ-BL-L + 23088-K-MB

FAG S3088-H-N-FZ-BL-L+23088-K-MB轴承近似型号

FAGS3088-H-N-FZ-BF-L + 230SM410-MA FAGS3088-H-N-FZ-BL-L + 230SM410-MA FAG S3088-H-N-FZ-BL-L+23088-K-MB FAG S3088-H-N-FZ-BF-L+230SM410-MA FAG S3088-H-N-FZ-AF-L+23088-K-MB FAG S3088-H-N-FZ-BL-L+230SM410-MA FAG S3088-H-N-FZ-AL-L+230SM410-MA FAG S3088-H-N-FZ-BF-L+230SM410-MA FAG S3088-H-N-FZ-BL-L+230SM410-MA FAG S3088-H-N-FZ-BL-L+23088-K-MB FAG S3088-H-N-FZ-BF-L+23088-K-MB FAG S3088-H-N-FZ-AL-L+23088-K-MB

热门点击型号

INA RWS1808-350/x350/x248 FAG S3052-H-N-FZ-BL-L+230SM240-MA FAG SNV072-L+2306-K-TVH-C3+H2306+DH606 INA SL183044 FAG SNV110-L+21310-E1-K+H310+DHV610 FAG SNV130-L+1215-K-TVH-C3+H215X208+DH515X207 FAG SNV180-L+23220-E1-K-TVPB+H2320X311+DHV520X31 FAG KUG110 FAG NJ2320-E-TVP2+HJ2320E INA NK16/16 国产N407M NTN6209LLH KOYO22336R FAGSNV280-L+22326-E1-K+H2326X407+TCV526X407 INAGAR25-UK NTN7024AC/DF TORRINGTON22226CCK/W33+H3126 TORRINGTON FAFNIR6020-2RS NTNNF207 国产6021-2RS/Z2

版权所有©2010-2017 轴承狗zcgou.com 上次更新:2026-04-14