TIMKEN RCJ法兰轴承座参数图纸

发布时间:2026-04-15
轴承型号 RCJ
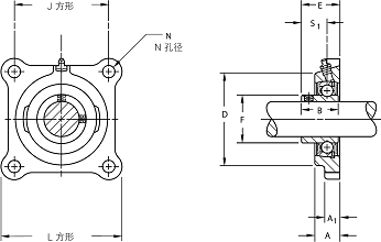
内径(d)
外径(D) 1/2
厚度(B) 76.2
类别 法兰轴承座
详细类别 工业法兰座
型号RCJ轴承
轴承类型工业法兰座
备注铸铁
d(mm)-
d(in.)1/2
D76.2
A54
E19.5
S123.6
轴承40.6
锁环10.7
轴承座13.9
kg -

TIMKEN RCJ法兰轴承座供应商

八零动力专业销售RCJ法兰轴承座,库存TIMKENRCJ法兰轴承座大量现货,与美国TIMKEN铁姆肯常年合作,批量订购RCJ轴承,咨询热线:022-58519723业务咨询
TIMKEN RCJ轴承,我选八零动力,深沟球轴承品种全,价格优,质量有保证!大客户热线:022-58519722
TIMKEN RCJ轴承 优秀的设计让这款轴承在运行时更加高效节能是您成功路上的得力助手,设计合理、性能优良的轴承,是机械设备的理想之选不得不说,这款轴承的品质过硬,在行业内堪称典范,先进的制造技术和严格的质量控制,造就了这款优质轴承轴承的耐用性强,减少了设备的停机维护时间

与RCJ法兰轴承座近似的TIMKEN轴承型号

TIMKEN YCJ TIMKEN TCJ TIMKEN RCJT TIMKEN YCJM TIMKEN SCJT TIMKEN RCJ TIMKEN VCJ TIMKEN TCJT TIMKEN LCJO TIMKEN SCJ

用户关注最多的TIMKEN轴承型号

TIMKEN 760/752 TIMKEN 56425/56650 TIMKEN LL758744/LL758715 TIMKEN 28980/28921-B TIMKEN 220RF91 TIMKEN K55X60X30 TIMKEN 484/472D/X2S-484 TIMKEN 37425/37626D/X1S-37425 TIMKEN 13176D/13318/Y1S-13318 TIMKEN AS1K7 TIMKEN 5204KG TIMKEN 30SF48-SS TIMKEN GYAE50RR TIMKEN 355X/353DC+X3S-355 TIMKEN 358/353D+X2S-358

用户关注最多的轴承狗热门型号

FAG  SNV080-L + 22208-E1-K + H308X105 + DH508X104 NMB  608ZZSD02 TIMKEN  378DE/372A 国产  1217 STEYR  53214U FAG  NUP2320-E-TVP2 TIMKEN  3776 /3720-B NSK  51308 SKF  HMV106E KOYO  23140R SKF  SNL3152TURT RHP  NF321 MRC  6315-2Z SKF  23160-2CS5K/VT143* IKO  YT243216

版权所有©2009-2015 轴承狗zcgou.com ICP备案:津ICP备14004550号-13