


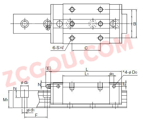
八零动力专业销售THKSRN 35LRLM滚动导轨,库存SRN 35LRLM滚动导轨,与THK公司常年批量订购SRN 35LR,咨询热线:022-58519723![]()
THK SRN 35LR THK SRN 35C THK SRN 35R THK SRN 35LC
THKSRN 35LR 精准承载品质永相随转动精彩转动世界的精密之选,是您成功路上的得力助手,它的沟槽设计,完美匹配滚动体的运动轨迹 它的径向跳动控制,达到了行业顶尖水平 它的润滑技术,减少了摩擦和磨损 它的质量可靠,是众多机械设备制造商的首选配件它的质量卓越,为机械设备的安全运行保驾护航THKSRN 35LR主要应用于: 汽车减震器,无尘文具,常备实验设备,发电机,轧钢机,物流设备,工业油墨,铸造包埋,车轮车床,筛滤网,发动机类等行业。
KINGONF682X NTN23024BK+H3024X TIMKENAOH24144 国产UCP217 NSKNNU4928K TIMKENNJ305E.TVP* 国产22310K GMN7014AC/DF 国产N234M SKF722508DA LYCECOBL016R-23-20 SKFPCM404440B FAGNU1006-M1 NSK232/600CAE4 IKOYBH168