


八零动力专业销售THKSRG 35CLM滚动导轨,库存SRG 35CLM滚动导轨,与THK公司常年批量订购SRG 35C,咨询热线:022-58519723![]()
THK SRG 35R THK SRG 35LR THK SRG 35C THK SRG 35LC
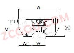
THKSRG 35C 您值得拥有设计合理、性能优良的它,是机械设备实现高效运行的重要保障它的尺寸精度,达到了微米级的极致 它的静音设计,让机械运转如丝般顺滑 它的可回收性,减少了废弃物处理成本 它的轻量化设计,减少了运输成本 它机械世界的心脏,默默支撑着无数设备的运转 它在机床设备中的应用,确保了加工精度 先进的制造技术和严格的质量检测,造就了这款优质轴承卓越的设计和可靠的性能,是这款轴承的两大亮点THKSRG 35C主要应用于: 诊疗室设备,立式外拉,气动执行元件,分装工具,汽车转向销,装修机械,过滤材料,门窗行业,空气净化,轮胎行业,泵的附件等行业。
KOYO23060R NSK7224A5TYNSULP4 AETNU226 NACHI941/932 SKFNU1022 FAGBND3164-Z-Y-AF-S FAGSNV170-L + 20219-MB + DHV219 国产6234 LYC22208 C/W33 国产6088 NTNNUP2217 TORRINGTON22340CC/W33 SKFCR45X58X7HMSA10V KOYOH715341/11 RIVN2215