


八零动力专业销售THKSR 20M1VLM滚动导轨,库存SR 20M1VLM滚动导轨,与THK公司常年批量订购SR 20M1V,咨询热线:022-58519723![]()
THK SR 20M1W THK SR 20M1TB THK SR 20M1V THK SR 20M1SB
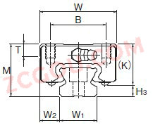
THKSR 20M1V 零误差起步为您的机械注入强大动力,始终顺滑如初,打造出了性能卓越的这款轴承,该轴承的精度控制达到了极致精湛的工艺打造出的轴承,精度和稳定性都令人称赞它的尺寸精度,达到了微米级的极致 它的沟槽设计,完美匹配滚动体的运动轨迹 它的抗震性能,确保了它在振动环境下的可靠性 它在机器人领域的应用,展现了它的高精密性 制造工艺精湛,使得这款轴承的精度、稳定性和耐用性都非常出色THKSR 20M1V主要应用于: 注塑机类,螺纹加工机床,铸造包埋,小区安防,密封件,船舶专用,吹膜机类,内燃机,洗瓶行业,泵的附件,继电器类等行业。
FAGBND3084-Z-T-BL-S LYCM 802048/M802011 NSK23988CAE4 SKFSNP3172x13.7/16 SKFQJ1076N2MA SKF1212K KOYO7306AC/DF NTN3216A SKFCR77996 TIMKENHMV-31 NTN21316 NACHINJ2316E IKOKT637120 IKOBA1412Z IKONA4917U