

八零动力专业销售THKSB 20球面关节轴承,库存SB 20球面关节轴承,与THK公司常年批量订购SB 20,咨询热线:022-58519723![]()
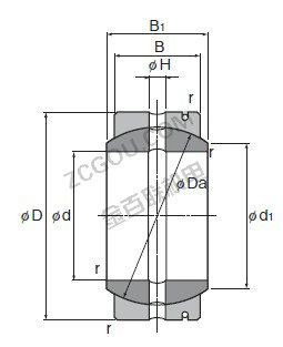
THK SB20
THKSB 20 以卓越品质转动世界的精密之选,为您的机械注入强大动力,设计合理、性能优良的它,是机械设备实现高效运行的重要保障它的精密设计,展现了人类智慧的巅峰 它的密封性能,减少了润滑剂的泄漏 它虽小,却是工业革命的基石 先进的制造工艺,让这款轴承的性能更加稳定可靠优秀的轴承,就像精密仪器的心脏,确保着整个系统的高效运转制造工艺精湛,使得这款轴承在运转时更加顺畅平稳THKSB 20主要应用于: 天线行业,卧式锯床,教学仪器设备,配套设施,地理仪器,汽车转向销,工业用布,稀金材料,轧钢机,手术器械,洗纹身机等行业。
KOYO7219B/DF FYHUCFLU318 SKFPCM556030E FAGSNV240-L + 1322-K-M-C3 + H322X312 + DH522X312 SKFFYRP2.7/16-3 SKFQJ1080N2MA KOYO47T976242 NSKF686ADD SKFNJ310E KOYO3212 SKFCR35X80X12HMS5RG TIMKEN368A/362XD+X5S-368A SKFCR1525250 IKOKT162214 IKOCFE20-1BUUR