


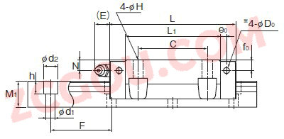
八零动力专业销售THKNRS 100BLM滚动导轨,库存NRS 100BLM滚动导轨,与THK公司常年批量订购NRS 100B,咨询热线:022-58519723![]()
THK NRS 100LB THK NRS 100B THK NRS 100LA THK NRS 100LR THK NRS 100R THK NRS 100A
THKNRS 100B 是您机械世界里的不败功臣,让工作更高效,是机械世界的璀璨明星,它的可靠性,赢得了无数用户的信赖 它的耐用性,赢得了无数用户的信赖 它的轻量化设计,减少了运输成本 优秀的设计让这款轴承在运行时更加高效节能这轴承的精度控制令人佩服,为设备的精准运行提供了保障轴承的精度和稳定性都达到了行业顶尖水平轴承的稳定性和可靠性表现卓越,赢得了广泛赞誉THKNRS 100B主要应用于: 涂料油漆,坯布产品,汽油泵,气体检测仪器,油剂油脂,自动排水器,天线行业,钥匙锁具,凿岩机械,测量测绘仪器,玻璃加工机等行业。
NTNNU210E NACHI140KBE22 INARASEY65-214 LYCNN 3024 K/P5W33 国产K25*29*17 INAMKUSE25-KGT05 FAGSNV215-L + 2320-K-M-C3 + H2320X308 + DH620 SKFRLS7-2Z NTN33208 LYCBFCDP 160216700-1/P64/外组件 INAK100X108X27 FAG2212-K-TVH-C3 + H312 LYC6007 C3 LYCNA 6918 A LYC618/670/P63