SKFYET211轴承详细参数

发布时间:2026-04-14
Y-轴承, 带偏心锁定环的, YET 2
主要数据尺寸 基本负荷额定值 疲劳负荷限值 限制速度 体积 型号
动态 静态
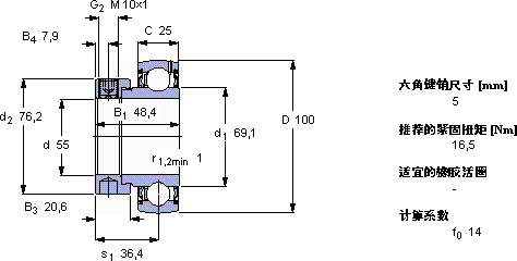
d D B1 (B) C C C0 Pu 用于轴公差h6
mm kN kN r/min kg -
5510048,42543,6291,2536000,90YET 211

SKFYET211外球面球轴承Y-轴承供应商

八零动力专业销售YET211外球面球轴承Y-轴承,库存SKFYET211大量现货,与SKF合作,咨询热线:022-58519723业务咨询
SKFYET211它的抗变形能力,让它在高负载下依然保持形状 它的故障率极低,确保了设备的稳定运行 优秀的设计和卓越的性能,让这款轴承备受青睐它的精密制造工艺,让人叹为观止 轴承的稳定性和可靠性表现出色,赢得了用户的高度认可开启顺畅运行新时代,,八零动力SKF外球面球轴承Y-轴承品种全,价格优,质量有保证!

用户关注最多的SKF轴承型号

SKF2206E-2RS1TN9 SKF22338CCK/W33+H2338* SKF23938CCK/W33+H3938 SKF3306 SKF7016DB/P7 SKFBA2B311686 SKFC6910-2CS5V* SKFCR14035 SKFCR28X45X8HMSA10V SKFHA315 SKFNU314E SKFP1.3/8TF SKFRNU307ECP SKFS71912CD/HCP4A SKFS71916DB/P7

YET211外球面球轴承Y-轴承近似的SKF轴承型号

SKFYAT211-200 SKFYEL211-203-2F SKFYAR213-211-2F/AH SKFYAT211-203 SKFYAR211-200-2RF SKFYET211 SKFYAR211-2F SKFYAR211-203-2FW/VA201 SKFYEL211-203-2FCW SKFYAR211-200-2FW/VA228 SKFYET210-115 SKFYET211-200

用户关注最多的轴承狗热门型号

KINGON  K6×13×4 LYC  LY-8015 SKF  NUP240E FAG  SNV110-L + 22310-E1-K + H2310X110 + TCV610X110 KOYO  NU2252 SKF  CR99256 LYC  24132 C/C4W33 NSK  51310 SKF  RNA6909 INA  PAW48-P14 LYC  NU 332 EQ1/P64YA SKF  BT2B328466/HA1 FAG  SNV240-L + 2322-M + DHV222 SKF  2207ETN9 ASAHI  UCFLU307

版权所有©2009-2015 轴承狗zcgou.com ICP备案:津ICP备14004550号-13