SKFYEL212-2F轴承详细参数

发布时间:2026-05-29
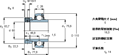
Y-轴承, 带偏心锁定环的, YEL 2-2F
主要数据尺寸 基本负荷额定值 疲劳负荷限值 限制速度 体积 型号
动态 静态
d D B1 (B) C C C0 Pu 用于轴公差h6
mm kN kN r/min kg -
6011077,82652,7361,5334001,65YEL 212-2F

SKFYEL212-2F外球面球轴承Y-轴承供应商

八零动力专业销售YEL212-2F外球面球轴承Y-轴承,库存SKFYEL212-2F大量现货,与SKF合作,咨询热线:022-58519723业务咨询
SKFYEL212-2F它的轴向跳动控制,确保了机械的平稳运行 它的故障率极低,确保了设备的稳定运行 是您机械世界里的不败功臣,轴承的精度极高,使得设备的运行误差被控制在极小范围内旋转不息顺滑无声,八零动力SKF外球面球轴承Y-轴承品种全,价格优,质量有保证!

用户关注最多的SKF轴承型号

SKF23988CC/W33 SKF24088CAC/W33 SKF25580/25523/Q SKF464777 SKF71809ACD/P4 SKFBT4B328817G/HA1VA902 SKFCR29877 SKFCR50186 SKFFY1.15/16FM SKFGEH17C SKFN1019KTN9/HC5SP SKFNKI55/35 SKFPCZ3016B SKFRNU2203ECP SKFSNW3128x4.15/16

YEL212-2F外球面球轴承Y-轴承近似的SKF轴承型号

SKFYET212-204 SKFYEL212-2F SKFYAR212-207-2F SKFYAR215-212-2F SKFYEL212-207-2F SKFYEL212-204-2FCW SKFYAR212-2FW/VA228 SKFYAR212-207-2FW/VA201 SKFYEL215-212-2F SKFYAR212-203-2F SKFYEL212-207-2FCW SKFYEL212-2F/W64

用户关注最多的轴承狗热门型号

FAG  HCB7007-E-T-P4S SKF  FYT1.1/4TF/VA201 SKF  22356CC/W33 STEYR  NJ2214E NSK  HR32218J GMN  71902C/DB NACHI  53338U RHP  71926AC FAG  BND3168-H-W-Y-AF-S BARDEN  71921C/DB SKF  CR18x30x7CRW1R SKF  SNW3134x6 SKF  32936/DF IKO  CFES8BR IKO  IRT2830

版权所有©2009-2015 轴承狗zcgou.com ICP备案:津ICP备14004550号-13