
SKFWEEX003-2ZR轴承详细参数
发布时间:2026-05-30
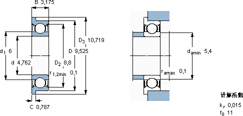
| | | | | | | | | | | | |
| 深沟球轴承, 单列,不锈钢,带法兰, 两面防尘罩 |
 |
| 主要数据尺寸 | 基本负荷额定值 | 疲劳负荷限值 | 额定速度 | 体积 | 型号 |
| | 动态 | 静态 | | 参照速度 | 限制速度 |
| d | D | D3 | B | C | C | C0 | Pu | | | | |
 |
| mm | kN | kN | r/min | kg | - |
 |
| 4,762 | 9,525 | 10,719 | 3,175 | 0,787 | 0,54 | 0,245 | 0,011 | 120000 | 60000 | 0,00087 | WEEX 003-2ZR |
SKFWEEX003-2ZR深沟球轴承供应商
- 八零动力专业销售WEEX003-2ZR深沟球轴承,库存SKFWEEX003-2ZR大量现货,与SKF合作,咨询热线:022-58519723

- SKFWEEX003-2ZR它机械世界的心脏,默默支撑着无数设备的运转 您值得拥有它的耐高温性能,让它在极端环境下依然稳定运行 它在机器人领域的应用,展现了它的高精密性 高品质的轴承,在复杂工况下也能展现出卓越的性能它的精密性,让它在高精度设备中无可替代 ,八零动力SKF深沟球轴承品种全,价格优,质量有保证!
用户关注最多的SKF轴承型号
SKF2308E-2RS1TN9
SKF24134-2CS5/VT143*
SKF6204/VA201
SKF7012CE/HCP4A
SKF71907CD/P4A
SKFBT2B328310/HA4
SKFBTM100B/HCP4CDBB
SKFCR75X90X10HMSA10RG
SKFCR99143
SKFFSYE3.11/16H-18
SKFNNC4848CV
SKFNUP310ECJ*
SKFPWM657550
SKFRNU217ECP*
SKFTU1.15/16TF