SKFW04轴承详细参数

发布时间:2026-05-30
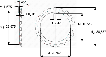
W锁紧垫圈, 英制尺寸
尺寸 体积 型号
锁紧垫圈 适宜的锁定螺母
d d2 B
mm kg -
20,34538,8870,8130,007W 04N 04

SKFW04轴承附件供应商

八零动力专业销售W04轴承附件,库存SKFW04大量现货,与SKF合作,咨询热线:022-58519723业务咨询
SKFW04我们的轴承卓越的性能这款轴承的精度极高,能够满足对精度要求苛刻的设备它在轨道交通中的应用,确保了列车的安全运行 它的质量可靠,是众多机械设备制造商的首选配件它的圆度误差几乎可以忽略不计 它在化工设备中的应用,展现了它的耐腐蚀性 ,八零动力SKF轴承附件品种全,价格优,质量有保证!

用户关注最多的SKF轴承型号

SKF21315CCK SKF32226J2/DF SKF32230T168J2/DB SKF3307A-2RS1TN9/MT33* SKF33122/DF SKF6302/HR22Q2 SKFCR22X38X8HMSA10RG SKFCR35556 SKFCR35x48x8CRW1V SKFFY1/2RM SKFIR50x55x20IS1 SKFNJ2330E SKFNUP311ECP* SKFQJ232N2MA* SKFTVN309A

W04轴承附件近似的SKF轴承型号

SKFSNP3048x9 SKFAH3040G SKFW04 SKFSNW3044x8 SKFMS3044 SKFW040 SKFH304 SKFH3040 SKFHMV104E SKFSNP3048x8.15/16 SKFW038 SKFW040

用户关注最多的轴承狗热门型号

LYC  NN 3013 K/P5 MRC  7001AC NSK  140BNR19H INA  LFS52-OV-500/180-VBS TIMKEN  EE275095/275160 KOYO  23160CACK/33+H3160 FAG  NUP2222-E-TVP2 NSK  7221B DKF  7038AC/DB TIMKEN  K40X47X20 FAG  SNV250-L + 20228-K-MB-C3 + H3028X500 + TCV528X500 TIMKEN  5079/05180D FAG  234707-M-SP GMN  7014AC/DB TIMKEN  EE420801/421451CD/X3S-420801

版权所有©2009-2015 轴承狗zcgou.com ICP备案:津ICP备14004550号-13