SKFTUJ45TF轴承详细参数

发布时间:2026-04-14
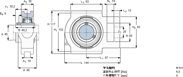
Y-型轴承张紧轮单元, 平头螺钉锁定, 公制轴承
尺寸 基本负荷额定值 限制速度 质量 型号
动态 静态 轴承单元 轴承座 轴承
d A H H1 L C C0带轴公差h6
mm kN r/min kg -
454911710214433,221,643002,3TUJ 45 TFTUJ 509YAR 209-2F

SKFTUJ45TFY-轴承承载单元供应商

八零动力专业销售TUJ45TFY-轴承承载单元,库存SKFTUJ45TF大量现货,与SKF合作,咨询热线:022-58519723业务咨询
SKFTUJ45TF轴承的耐用性极佳,为设备的长期稳定运行提供了保障它的精准度,让机械运转分毫不差 它的抗拉强度,让它经得起各种考验 旋转无忧这款轴承的运转平稳,几乎听不到任何噪音,令人惊艳坚固耐用,八零动力SKFY-轴承承载单元品种全,价格优,质量有保证!

用户关注最多的SKF轴承型号

SKF23156CCK/W33+OH3156H* SKF23938CCK/W33+H3938 SKF2x7218BECBM SKF314NR SKF319438DA-2LS SKF7006ACE/HCP4A SKFAOH3072G SKFBT4B328912G/HA1VA901 SKFCR1900260 SKFCR53771 SKFFYRP2.15/16-18 SKFHA316 SKFNJ2308E SKFNNCF4956CV SKFUEL207

TUJ45TFY-轴承承载单元近似的SKF轴承型号

SKFTU45TF SKFTUJ45TF SKFTU45FM SKFTUJ40TF SKFTUJ50TF

用户关注最多的轴承狗热门型号

BARDEN  7224AC/DB TIMKEN  479/472-B SKF  BS2B246572 LYC  241/560 CA/W33 YB SKF  51114 SKF  3304A TIMKEN  YA108RR INA  203-KRR-AH02 SKF  6211/HR11QN FLT  N224 NTN  22360BK SKF  AHX3226G 国产  6218-2RS LYC  NJ 2310 E FAG  20318-K-MB-C3

版权所有©2009-2015 轴承狗zcgou.com ICP备案:津ICP备14004550号-13