

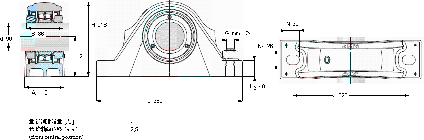
| 滚子轴承立式轴承座单元, SKF ConCentra, non-locating units, relubrication-free (double-lip seals) | ||||||||||||
| 尺寸 | 尺寸 [英寸] | 疲劳负荷限值 | 限制速度 | 体积 | 型号 | 轴承,基本型号 | ||||||
| 动态 | 静态 | |||||||||||
| da | A | H | H1 | L | C | C0 | Pu | |||||
| mm | kN | kN | r/min | kg | - | - | ||||||
| 90 | 110 | 216 | 112 | 380 | 325 | 375 | 39 | 2100 | 21 | SYNT 90 LW | 22218 E | |
版权所有©2009-2015 轴承狗zcgou.com ICP备案:津ICP备14004550号-13