

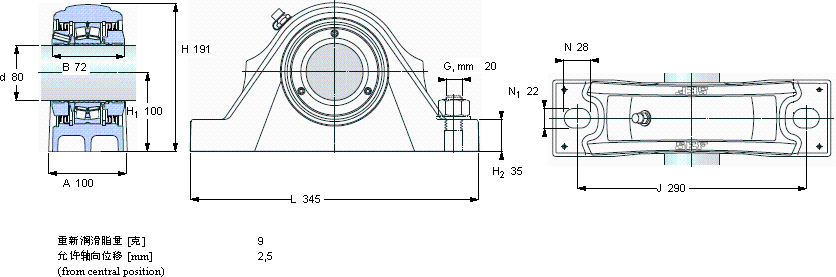
| 滚子轴承立式轴承座单元, SKF ConCentra, non-locating units, labyrinth seals | ||||||||||||
| 尺寸 | 尺寸 [英寸] | 疲劳负荷限值 | 限制速度 | 体积 | 型号 | 轴承,基本型号 | ||||||
| 动态 | 静态 | |||||||||||
| da | A | H | H1 | L | C | C0 | Pu | |||||
| mm | kN | kN | r/min | kg | - | - | ||||||
| 80 | 100 | 191 | 100 | 345 | 236 | 270 | 29 | 3100 | 20 | SYNT 80 LTS | 22216 E | |
版权所有©2009-2015 轴承狗zcgou.com ICP备案:津ICP备14004550号-13