

| 滚子轴承立式轴承座单元, SKF ConCentra, non-locating units, relubrication-free (double-lip seals) | ||||||||||||
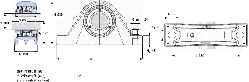
| 尺寸 | 尺寸 [英寸] | 疲劳负荷限值 | 限制速度 | 体积 | 型号 | 轴承,基本型号 | ||||||
| 动态 | 静态 | |||||||||||
| da | A | H | H1 | L | C | C0 | Pu | |||||
| mm | kN | kN | r/min | kg | - | - | ||||||
| 100 | 120 | 238 | 125 | 410 | 425 | 490 | 49 | 2000 | 30 | SYNT 100 LW | 22220 E | |
版权所有©2009-2015 轴承狗zcgou.com ICP备案:津ICP备14004550号-13