SKFSYJ45TF轴承详细参数

发布时间:2026-05-30
Y-型立式轴承座单元, 铸造轴承座,平头螺钉锁紧定, 公制轴承
尺寸 基本负荷额定值 限制速度 质量 型号
动态 静态 轴承单元 轴承座 轴承
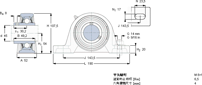
d A H H1 L C C0 带轴公差 h6
mm kN r/min kg -
4552107,55419033,221,643002,4SYJ 45 TFSYJ 509YAR 209-2F

SKFSYJ45TFY-轴承座单元供应商

八零动力专业销售SYJ45TFY-轴承座单元,库存SKFSYJ45TF大量现货,与SKF合作,咨询热线:022-58519723业务咨询
SKFSYJ45TF它的质量可靠,是众多机械设备制造商的首选配件质量无可挑剔的轴承,在行业内树立了良好的口碑和形象打造出了性能卓越的这款轴承,该轴承的精度控制达到了极致是您值得信赖的工业伙伴,为您的机械保驾护航承载重载历经岁月要设备更出色,八零动力SKFY-轴承座单元品种全,价格优,质量有保证!

用户关注最多的SKF轴承型号

SKF1207EKTN9+H207 SKF23192CAK/W33+OH3192H* SKF2x7212BECBP* SKF2x7217BECBP* SKF71802ACD/HCP4 SKF71819CD/P4A SKF71912ACE/HCP4A SKFBC2B322340/HB1VJ202 SKFBS2B321606 SKFCR90056 SKFGEZ408ES SKFHK2210 SKFNJ2312ECML* SKFNN3007/SP SKFS71911CD/HCP4A

SYJ45TFY-轴承座单元近似的SKF轴承型号

SKFSYFJ45TF SKFP45FM SKFSYJ45TF SKFSYJ45KF SKFSY45PF SKFSY45TF SKFP45TF SKFP45WF SKFSY45FM SKFSY45WF SKFSYJ45KF SKFSYJ50KF

用户关注最多的轴承狗热门型号

SKF  S7006ACD/HCP4A LYC  FC 6890250 FAG  HCB7003-E-2RSD-T-P4S SKF  HE3024 LYC  6307 E-RS/P6 SKF  7203BEY NTN  NUP2230 SKF  7324B RHP  7320B/DB TIMKEN  LM520349/LM520310D+LM520349XA STEYR  NJ2310E NTN  7013AC SKF  N218ECP RIV  N406 IKO  KT253013

版权所有©2009-2015 轴承狗zcgou.com ICP备案:津ICP备14004550号-13