
SKFSYJ35KF轴承详细参数
发布时间:2026-05-19
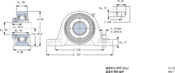
| | | | | | | | | | | | | |
| Y-型立式轴承座单元, 铸造轴承座,紧定套 |
 |
| 尺寸 | 基本负荷额定值 | 限制速度 | 质量 | 型号 |
| | 动态 | 静态 | | 轴承单元 | 轴承座 | 轴承 | 紧定套 |
| | | | | | | | | | 无紧定套 | | | |
| d1 | A | H | H1 | L | C | C0 |
 |
| mm | kN | r/min | kg | - |
 |
| 30 | 46 | 93 | 47,6 | 167 | 25,5 | 15,3 | 5300 | 1,25 | SYJ 35 KF | SYJ 507 | YSA 207-2FK | H 2307 |
SKFSYJ35KFY-轴承座单元供应商
- 八零动力专业销售SYJ35KFY-轴承座单元,库存SKFSYJ35KF大量现货,与SKF合作,咨询热线:022-58519723

- SKFSYJ35KF它的精密设计,展现了人类智慧的巅峰 它的长寿命,减少了更换频率 为您的设备保驾护航,让机械运转无忧是机械世界的璀璨明星,转动世界的精密之选,让工作更高效,,八零动力SKFY-轴承座单元品种全,价格优,质量有保证!
用户关注最多的SKF轴承型号
SKF22214E*
SKF31318J2
SKF3307A*
SKF361203R
SKF61914-2RZ
SKF6206-2RS
SKF7203CD/HCP4A
SKF722518A
SKFBT4B328074/HA4
SKFCR11050
SKFFY3/4FM
SKFHS208
SKFN1021KTN9/SP
SKFNK100/36
SKFSYH3/4RM