SKFSYJ30KF轴承详细参数

发布时间:2026-04-15
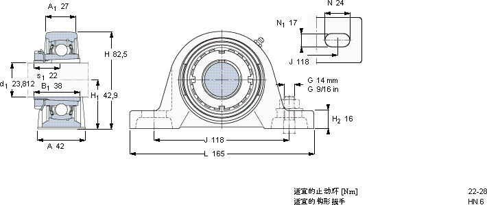
Y-型立式轴承座单元, 铸造轴承座,紧定套
尺寸 基本负荷额定值 限制速度 质量 型号
动态 静态 轴承单元 轴承座 轴承 紧定套
无紧定套
d1 A H H1 L C C0
mm kN r/min kg -
23,8124282,542,916519,511,263000,90SYJ 30 KFSYJ 506YSA 206-2FKHA 2306

SKFSYJ30KFY-轴承座单元供应商

八零动力专业销售SYJ30KFY-轴承座单元,库存SKFSYJ30KF大量现货,与SKF合作,咨询热线:022-58519723业务咨询
SKFSYJ30KF它的轴向游隙控制,精准到令人惊叹 先进的制造技术和严格的质量检测,造就了这款优质轴承它的精密性,让它在高精度设备中无可替代 品质卓越的它,为机械设备的稳定、高效运行提供了支持它在冶金设备中的应用,确保了设备的高温性能 它的滚动体分布均匀,运转平稳无振动 ,八零动力SKFY-轴承座单元品种全,价格优,质量有保证!

用户关注最多的SKF轴承型号

SKF22314EK+AHX2314G* SKF71824CD/P4A SKF7212BECBM* SKFBK1012RS SKFCR55X68X8HMSA10V SKFGEP280FS SKFHK2214RS SKFN1010KPHA/SP SKFNJ203ECP SKFOKC800 SKFSY60WF SKFSIL45ES-2RS SKFSY1.9/16TF SKFSYNT55LTF SKFW6009-2RS1

SYJ30KFY-轴承座单元近似的SKF轴承型号

SKFSYK30TR SKFSYFJ30TF SKFP72R-30FM SKFSYKC30NTR/VE495 SKFP30WF SKFSYK30TF SKFP72R-30TF SKFSYFL30TR/VE495 SKFP30FM SKFP30RM SKFSYJ25TF SKFSYJ30TF

用户关注最多的轴承狗热门型号

SKF  NA4848 SKF  CR80X95X10CRSH13R LYC  23152/W33 NSK  7321BDF LYC  30312/P5 NACHI  53407U NACHI  7211B NTN  7206C/DB 国产  RN209M TIMKEN  24118/24262D/X1S-24118 SKF  NJ306ECP NSK  NU1022 LYC  NNU 4148/YB2 IKO  GTRI153320 IKO  CRH40VUUR

版权所有©2009-2015 轴承狗zcgou.com ICP备案:津ICP备14004550号-13