SKFRSTO6TN轴承详细参数

发布时间:2026-04-14
不带法兰圈支承滚子,无内圈
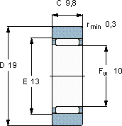
尺寸 基本负荷额定值 疲劳限值 最大径向负荷 限制速度 体积 型号
动态 静态 动态 静态
D Fw C C C0 Pu Fr F0r
mm kN kN kN r/min kg -
19109,83,744,50,54,256,170000,013RSTO 6 TN

SKFRSTO6TN滚轮轴承供应商

八零动力专业销售RSTO6TN滚轮轴承,库存SKFRSTO6TN大量现货,与SKF合作,咨询热线:022-58519723业务咨询
SKFRSTO6TN它的耐用性,赢得了无数用户的信赖 它的耐腐蚀性,让它经久不衰 其设计和制造工艺都达到了国际先进水平,是一款优质轴承该轴承的性能优越,极大地提高了设备的工作效率品质卓越的它,在各种工况下都能展现出优异的性能轴承的耐用性极佳,为设备的长期稳定运行提供了保障,八零动力SKF滚轮轴承品种全,价格优,质量有保证!

用户关注最多的SKF轴承型号

SKF22352CACK/W33 SKF539/532X SKFBT4B328977BG/HA1VA901 SKFCR14X30X7HMS5V SKFCR41X56X7HMS5V SKFCR50X62X10CRS1R SKFK175x183x32 SKFN1015KTN/SP SKFNU1009ECP SKFOKF140 SKFS7014DB/P7 SKFSAF1522 SKFSY1.3/4TR SKFSY50WF SKFSYR2.3/4NH-118

RSTO6TN滚轮轴承近似的SKF轴承型号

SKFNATR17PPA SKF305704C-2Z SKFNUTR30A SKFPWTR2562.2RS SKFKRE30PPA SKFPWTR17.2RS SKFRSTO8TN SKFKRE52PPA SKFNUKR72A SKFKR52PPA SKFRSTO5TN SKFRSTO8TN

用户关注最多的轴承狗热门型号

SKF  CR220x260x19.05HS8R SKF  NU1096MA BARDEN  7208C/DB LYC  6016 E/C3 BARDEN  71906C/DB TIMKEN  GC1014KRRB NACHI  NUP2211EG NACHI  NJ317 BARDEN  71915C/DF KOYO  NJ311+HJ311 SKF  SC71909DB/P7 LYC  NN 3018 K/P5W33 MAC  NJ206 TIMKEN  115BIH510 SKF  CR43820

版权所有©2009-2015 轴承狗zcgou.com ICP备案:津ICP备14004550号-13