SKFRSTO20轴承详细参数

发布时间:2026-05-29
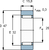
不带法兰圈支承滚子,无内圈
尺寸 基本负荷额定值 疲劳限值 最大径向负荷 限制速度 体积 型号
动态 静态 动态 静态
D Fw C C C0 Pu Fr F0r
mm kN kN kN r/min kg -
472515,816,121,22,518,626,540000,13RSTO 20

SKFRSTO20滚轮轴承供应商

八零动力专业销售RSTO20滚轮轴承,库存SKFRSTO20大量现货,与SKF合作,咨询热线:022-58519723业务咨询
SKFRSTO20这款轴承的性能卓越,有效提高了设备的运行可靠性是机械世界的璀璨明星,它的制造工艺,堪称工业艺术的典范 它的抗疲劳性能,确保了长期使用的可靠性 它的高效率,减少了能源消耗 它的耐用性,让人惊叹不已 ,八零动力SKF滚轮轴承品种全,价格优,质量有保证!

用户关注最多的SKF轴承型号

SKF1205ETN9 SKF22322EK* SKF230/900CAK/W33+OH30/900H SKF33214/Q SKF51101V/HR11Q1 SKF5214E SKF7019AC SKFBK0306TN SKFCR47X65X10HMSA10V SKFGE220ES SKFHMV50E SKFN1008KPHA/HC5SP SKFNKI50/35 SKFNUP205ECP SKFYEL212-2F

RSTO20滚轮轴承近似的SKF轴承型号

SKFRNA2201.2RS SKFNA2206.2RS SKFRNA2204.2RS SKFNA2205.2RS SKFNNTR120x290x135.2ZL SKFRNA2203.2RS SKFNUTR2052A SKF361204R SKFNUTR20A SKFNA2208.2RS SKFRSTO17 SKFRSTO25

用户关注最多的轴承狗热门型号

SNR  6038 FAG  1216-TVH LYC  NJ B216 M/P5 KOYO  21320CCK+H320 FAG  BND2256-Z-T-BL-S TIMKEN  HM89448/HM89410 SKF  CR90765 TIMKEN  1010KRRKRRB LYC  NN 3010 K/P5 STEYR  52328 RHP  7202B NSK  53228XU TIMKEN  22230CJ NTN  24036C IKO  MAGFT10

版权所有©2009-2015 轴承狗zcgou.com ICP备案:津ICP备14004550号-13