SKFQJ319N2MA*轴承详细参数

发布时间:2026-05-29
角接触球轴承, 四点接触球轴承
主要数据尺寸 基本负荷额定值 疲劳负荷限值 额定速度 体积 型号
动态 静态 参照速度 限制速度
d D B C C0 Pu * - SKF Explorer 轴承
mm kN kN r/min kg -
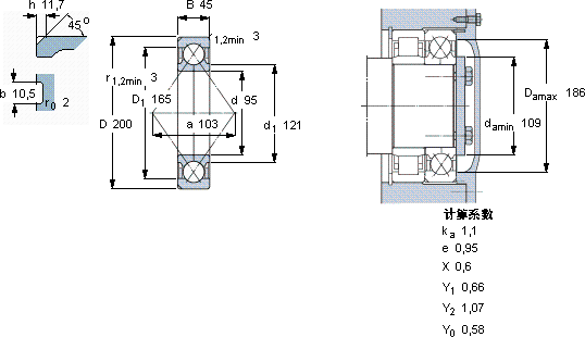
952004530534011,8430060007,45QJ 319 N2MA *

SKFQJ319N2MA*角接触球轴承供应商

八零动力专业销售QJ319N2MA*角接触球轴承,库存SKFQJ319N2MA*大量现货,与SKF合作,咨询热线:022-58519723业务咨询
SKFQJ319N2MA*它的轻量化设计,减少了材料的使用 它的耐磨性能,让它在恶劣环境下依然稳定运行 它的模块化设计,让安装和更换变得轻松便捷 高品质的轴承,在复杂工况下也能展现出卓越的性能为您的工程保驾护航,高精度低摩擦,八零动力SKF角接触球轴承品种全,价格优,质量有保证!

用户关注最多的SKF轴承型号

SKF23080CC/W33 SKF3207A-2ZTN9/MT33* SKF6304-2RSH* SKF7012CD/HCP4A SKF71908FB/P7 SKF71918CD/P4A SKF71932C/DB SKFBEAM020068-2RS/PE SKFBK3520 SKFCR25X52X8HMS5RG SKFCR42470 SKFMB5C SKFSAL25C SKFSDAF22536 SKFSNP148x8.15/16

QJ319N2MA*角接触球轴承近似的SKF轴承型号

SKFQJ319 SKF2x7319BEGAF SKF7319B/DF SKF2x7319BECBM* SKF2x7319BEGAY SKF3319A SKF2x7319BECBP* SKF7319BEP SKF7319BEM SKF7319BECBM* SKFQJ319N2MA SKFQJ320

用户关注最多的轴承狗热门型号

MAC  N318 NTN  24144B FAG  SNV120-L + 2311-K-TVH-C3 + H2311 + DH611 SKF  NUB213ECJ LYC  23232 CAK/W33 FAG  SNV190-L + 22318-E1-K + H2318X302 + TCV518X311 LYC  LS-NNU 6/206.375/C9 KOYO  22240RK+H3140 TIMKEN  212K TORRINGTON&FAFNIR  6205 国产  UCFU217 NACHI  5203ZZ SKF  K22x28x17 TIMKEN  81630/81963CD/X1S-81630 NSK  22264CAE4

版权所有©2009-2015 轴承狗zcgou.com ICP备案:津ICP备14004550号-13