SKFQJ236N2MA*轴承详细参数

发布时间:2026-04-29
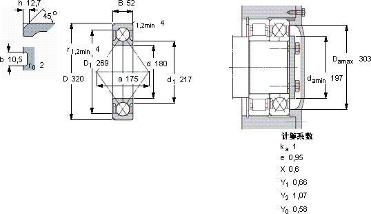
角接触球轴承, 四点接触球轴承
主要数据尺寸 基本负荷额定值 疲劳负荷限值 额定速度 体积 型号
动态 静态 参照速度 限制速度
d D B C C0 Pu * - SKF Explorer 轴承
mm kN kN r/min kg -
1803205247576520,82400340020,5QJ 236 N2MA *

SKFQJ236N2MA*角接触球轴承供应商

八零动力专业销售QJ236N2MA*角接触球轴承,库存SKFQJ236N2MA*大量现货,与SKF合作,咨询热线:022-58519723业务咨询
SKFQJ236N2MA*它的可靠性,赢得了无数工程师的信任 先进的生产工艺,让这款轴承的性能得到了极大提升这款轴承的性能卓越,有效提高了设备的运行可靠性旋转无忧它的品质卓越,为机械设备的高效运行提供了坚实后盾质量上乘的轴承,为设备的高效稳定运行奠定了基础,八零动力SKF角接触球轴承品种全,价格优,质量有保证!

用户关注最多的SKF轴承型号

SKF24140CCK30/W33* SKF319436DA-2LS SKF33217/QDF SKF7013DB/P7 SKF71905ACE/P4A SKFBT4B328282/HA1 SKFCR15450 SKFCR35X47X8HMSA10V SKFCR86739 SKFFSYE2.11/16NH-118 SKFIR80x90x54 SKFKRV26PPA SKFOKC300 SKFSYNT70FTF SKFYAR205-2RF/W64

QJ236N2MA*角接触球轴承近似的SKF轴承型号

SKFQJ236 SKF7236B/DF SKF2x7236BCAM SKFQJ236N2MA* SKF7236AC/DT SKF7236B/DB SKF7236C/DB SKF7236C/DF SKF7236B SKF7236AC SKFQJ236N2MA SKFQJ238N2MA

用户关注最多的轴承狗热门型号

STEYR  7211B/DF NACHI  E33118J SKF  CR99368 TIMKEN  LSA NSK  BL221 MAC  NJ319 LYC  7208 EC/P5 LYC  23940 C/W33 LYC  7208 EC/P5DB LYC  22238 CK/C3 KOYO  NN3040 TIMKEN  689/674 SKF  7338B/DT 国产  NK155/25 国产  628-2RS

版权所有©2009-2015 轴承狗zcgou.com ICP备案:津ICP备14004550号-13