SKFQJ1076N2MA轴承详细参数

发布时间:2026-04-14
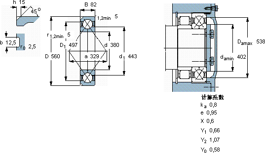
角接触球轴承, 四点接触球轴承
主要数据尺寸 基本负荷额定值 疲劳负荷限值 额定速度 体积 型号
动态 静态 参照速度 限制速度
d D B C C0 Pu
mm kN kN r/min kg -
38056082819190037,51000170073,5QJ 1076 N2MA

SKFQJ1076N2MA角接触球轴承供应商

八零动力专业销售QJ1076N2MA角接触球轴承,库存SKFQJ1076N2MA大量现货,与SKF合作,咨询热线:022-58519723业务咨询
SKFQJ1076N2MA高品质的轴承,在各种复杂环境下都能稳定发挥作用性能卓越的它,为机械设备的稳定运行提供了可靠保障它的低噪音设计,减少了对环境的噪音污染 轴承的选材优质,确保了其在各种环境下都能稳定工作精准运转优秀的设计理念和精湛的制造工艺,成就了这款杰出的轴承,八零动力SKF角接触球轴承品种全,价格优,质量有保证!

用户关注最多的SKF轴承型号

SKF217 SKF240/1060CAF/W33 SKF7011AC/DB SKF71916CD/HCP4A SKF71932ACD/P4A SKF7311BEGBM* SKFBTM60A/P4CDBB SKFCR15235 SKFCR27X47X10HMSA10RG SKFCR29X50X10CRSH11R SKFCR85158 SKFFYNT50L SKFHCRE060R SKFICOS-D1B01-TN9* SKFSY1.3/16TF/AH

QJ1076N2MA角接触球轴承近似的SKF轴承型号

SKFQJ1076N2MA SKFQJ1072N2MA SKFQJ1080N2MA

用户关注最多的轴承狗热门型号

FAG  BND3236-Z-Y-BF-S SKF  CR40X65X10HMSA10RG MRC  NU321 SKF  HM31/600 TIMKEN  T63W NACHI  29396E SYEYR  NU2316E INA  RCJO90 NTN  6032-2RS INA  PAP10060-P14 TIMKEN  47681 /47620-B FAG  SNV200-L + 22222-E1-K + H322X315 + DHV522 LYC  TC3868 NACHI  NF260 IKO  LSBT13

版权所有©2009-2015 轴承狗zcgou.com ICP备案:津ICP备14004550号-13