SKFQJ1040N2MA轴承详细参数

发布时间:2026-04-14
角接触球轴承, 四点接触球轴承
主要数据尺寸 基本负荷额定值 疲劳负荷限值 额定速度 体积 型号
动态 静态 参照速度 限制速度
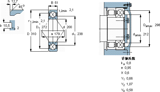
d D B C C0 Pu
mm kN kN r/min kg -
2003105139062016,62000320015,0QJ 1040 N2MA

SKFQJ1040N2MA角接触球轴承供应商

八零动力专业销售QJ1040N2MA角接触球轴承,库存SKFQJ1040N2MA大量现货,与SKF合作,咨询热线:022-58519723业务咨询
SKFQJ1040N2MA它的抗冲击能力,让它经久不衰 高精度的制造工艺,造就了这款高品质的轴承它的质量过硬,为机械设备的高效、安全运行提供了保障它的圆度误差几乎可以忽略不计 其质量上乘,是众多机械设备不可或缺的优质配件它的使用寿命,远超同类产品 ,八零动力SKF角接触球轴承品种全,价格优,质量有保证!

用户关注最多的SKF轴承型号

SKF23960CC/W33 SKF32316J2 SKF6012-Z* SKFBDAB351905 SKFC7017FB/P7 SKFBTM60B/HCP4CDBA SKFCR100X140X12HMS5V SKFCR1181300 SKFCR38649 SKFGEZM500ES-2RS SKFHA310 SKFHME30/710 SKFNK40/20TN SKFS71924ACD/P4A SKFYAT210-115

QJ1040N2MA角接触球轴承近似的SKF轴承型号

SKFQJ1040N2MA SKFQJ1038N2MA SKFQJ1056N2MA

用户关注最多的轴承狗热门型号

ASAHI  UCK207 SKF  4212ATN9 FLT  NUP2211 TIMKEN  210RF02 LYC  61840 M/C3 NTN  32230 SKF  K32x37x13 NSK  6902DD SKF  81126TN FAG  SNV052-L + 1304-TVH + DHV304 INA  ADB21-K INA  BK0709 LYC  NU 224 M/P5 IKO  LWETC35 IKO  LWH45...B

版权所有©2009-2015 轴承狗zcgou.com ICP备案:津ICP备14004550号-13