SKFQJ1017N2MA轴承详细参数

发布时间:2026-04-15
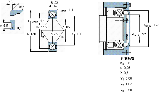
角接触球轴承, 四点接触球轴承
主要数据尺寸 基本负荷额定值 疲劳负荷限值 额定速度 体积 型号
动态 静态 参照速度 限制速度
d D B C C0 Pu
mm kN kN r/min kg -
851302285,21024,15500080001,10QJ 1017 N2MA

SKFQJ1017N2MA角接触球轴承供应商

八零动力专业销售QJ1017N2MA角接触球轴承,库存SKFQJ1017N2MA大量现货,与SKF合作,咨询热线:022-58519723业务咨询
SKFQJ1017N2MA它在建筑机械中的应用,确保了设备的可靠性 它的抗压强度,让它承载能力惊人 它的抗氧化性能,延长了它的使用寿命 它在轨道交通中的应用,确保了列车的安全运行 它在机床设备中的应用,确保了加工精度 它的微观表面处理,减少了摩擦和磨损 ,八零动力SKF角接触球轴承品种全,价格优,质量有保证!

用户关注最多的SKF轴承型号

SKF6080 SKF7304BEY SKFBEAM030100-2Z SKFBFSB350565 SKFCR122555 SKFCR1275249 SKFCR200X230X15HMS5RG SKFCR523826 SKFCR80X100X10HMSA10V SKFH308E SKFHMVC84E SKFNNCL4960CV SKFNNU4892K/W33 SKFOH3988HE SKFWS811/530

QJ1017N2MA角接触球轴承近似的SKF轴承型号

SKFQJ1017N2MA SKFSC71910FB/P7 SKFQJ1021N2MA

用户关注最多的轴承狗热门型号

TIMKEN  LM665949/LM665910CD/LM665949XB LYC  6912 2RS ASAHI  UCK310 TORRINGTON FAFNIR  71916C LYC  N 408 M NACHI  6918NR INA  IR9X12X16 SNR  6300-RS GMN  7028AC/DT SKF  CR35039 NSK  7020CDT INA  KGB30-PP-AS INA  RWS1808-200/x200/x52 国产  63/32NR IKO  RNAF152313

版权所有©2009-2015 轴承狗zcgou.com ICP备案:津ICP备14004550号-13