SKFPL670轴承详细参数

发布时间:2026-05-30
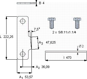
P锁紧片夹, 英制尺寸
尺寸 体积 型号
锁定板 适宜的锁定螺母
L A1 B
mm kg -
222,2553,5740,45PL 670N 670

SKFPL670轴承附件供应商

八零动力专业销售PL670轴承附件,库存SKFPL670大量现货,与SKF合作,咨询热线:022-58519723业务咨询
SKFPL670没有轴承,现代机械将寸步难行,打造出了性能卓越的这款轴承,该轴承的精度控制达到了极致设计合理、性能优良的它,是机械设备实现高效运行的重要保障这款轴承的性能卓越,有效提高了设备的运行可靠性运转起来如此顺滑,这款轴承的制造工艺着实令人赞叹引领行业速度,我们的轴承始终稳如磐石,八零动力SKF轴承附件品种全,价格优,质量有保证!

用户关注最多的SKF轴承型号

SKF231/630CAK/W33+AOH31/630* SKF52310 SKF718/530AMB SKF71919CD/P4A SKFC4024K30V* SKFCR16246 SKFCR20X52X10HMS5V SKFCR23655 SKFFYMF2.11/16TF/AH SKFNJ2324ECMA* SKFPCZ2228M SKFQJ1252N2MA SKFS7012ACD/P4A SKFSYE2.3/4 SKFW604

PL670轴承附件近似的SKF轴承型号

SKFHM30/670 SKFMS30/670 SKFPL670 SKFMS31/670 SKFN670 SKFPL64 SKFPL68

用户关注最多的轴承狗热门型号

NACHI  3919 KOYO  7312C NSK  NN3010T SKF  NUP213E SKF  CR25078 NACHI  NJ2305 国产  NU2319M RHP  7201C/DT LYC  23038 CA FAG  SNV090-L + 20308-TVP + FSV308 STEYR  NJ306 FAG  23196-MB SKF  CR36X50X7HMS5RG IKO  LM6090110F IKO  BK3520A

版权所有©2009-2015 轴承狗zcgou.com ICP备案:津ICP备14004550号-13