SKFPL630轴承详细参数

发布时间:2026-04-14
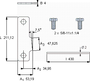
P锁紧片夹, 英制尺寸
尺寸 体积 型号
锁定板 适宜的锁定螺母
L A1 B
mm kg -
211,1253,1940,4PL 630N 630

SKFPL630轴承附件供应商

八零动力专业销售PL630轴承附件,库存SKFPL630大量现货,与SKF合作,咨询热线:022-58519723业务咨询
SKFPL630它的轻量化设计,减少了材料的使用 转动精彩质量无可比拟的轴承,在行业内树立了良好的品质标杆性能卓越的它,为机械设备的稳定运行提供了可靠保障设计合理、性能优良的它,是机械设备稳定运行的重要保障这轴承的设计简直精妙绝伦,每一处细节都彰显着极致的工艺美学,八零动力SKF轴承附件品种全,价格优,质量有保证!

用户关注最多的SKF轴承型号

SKF24156CC/W33 SKF304203 SKF331192A SKF7017ACD/HCP4A SKFAXK2542 SKFBC2-8011/HB1 SKFBT4B328827E2/C500* SKFCR12668 SKFCR19000 SKFCR70X92X12HMSA10V SKFIR25x29x20 SKFNN3016KTN/SP SKFNU2309ECML* SKFOH2348H SKFS71914CD/P4A

PL630轴承附件近似的SKF轴承型号

SKFMS30/630 SKFHME30/630 SKFAOH30/630 SKFPL630 SKFMS31/630 SKFHM30/630 SKFN630 SKFPL600 SKFPL64

用户关注最多的轴承狗热门型号

KOYO  ML2508 SKF  CR50x80x8CRW1V SKF  2211K+H311 NTN  234416B SKF  F1/2FM LYC  111.32.1600.04 国产  7028C LYC  24172/YA2 ASAHI  UCP208 SKF  5311E KOYO  46T30324JR/101 国产  S725 INA  RSRD25-150-L0 SKF  SDAF22536x6.3/8 IKO  BA87Z

版权所有©2009-2015 轴承狗zcgou.com ICP备案:津ICP备14004550号-13