SKFPL530轴承详细参数

发布时间:2026-04-16
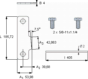
P锁紧片夹, 英制尺寸
尺寸 体积 型号
锁定板 适宜的锁定螺母
L A1 B
mm kg -
185,7253,9840,4PL 530N 530

SKFPL530轴承附件供应商

八零动力专业销售PL530轴承附件,库存SKFPL530大量现货,与SKF合作,咨询热线:022-58519723业务咨询
SKFPL530轴承的稳定性和可靠性表现卓越,赢得了广泛赞誉它的精密制造工艺,让人叹为观止 先进的生产工艺,打造出了这款性能卓越的轴承零误差起步它的疲劳强度,确保了长期使用的可靠性 让您的设备高效运行,,八零动力SKF轴承附件品种全,价格优,质量有保证!

用户关注最多的SKF轴承型号

SKF22310E/VA405* SKF29675/29620/3/Q SKF32024X/DF SKF71932C SKFBS2-2224-2CS5K/VT143* SKFCR12399 SKFCR13588 SKFCR51x80x9.53CRW1R SKFCR527806 SKFFYC25WF SKFN311ECM* SKFPFT15/16FM SKFS7007CD/P4A SKFSC7024FB/P7 SKFSYNT65L

PL530轴承附件近似的SKF轴承型号

SKFAOH31/530 SKFAOH30/530 SKFHM30/530 SKFPL530 SKFMS30/600-530 SKFSNP30/530x19.1/2 SKFN530 SKFOH39/530H SKFMS31/530 SKFHM31/530 SKFPL52 SKFPL56

用户关注最多的轴承狗热门型号

TIMKEN  5318W NACHI  5205ANR NTN  32944XUE1 KOYO  32018 TORRINGTON&FAFNIR  6211-Z SKF  6076 NSK  RLM354530 LYC  7305 CJ/P6 KOYO  32240 NACHI  24132EX1W33K30 NACHI  6006ZENR RHP  7213AC SKF  CR310x350x18HDS2V 国产  89460D SKF  NNU4052KM/W33

版权所有©2009-2015 轴承狗zcgou.com ICP备案:津ICP备14004550号-13