
SKFPF45TF轴承详细参数
发布时间:2026-04-15
| | | | | | | | | | | | |
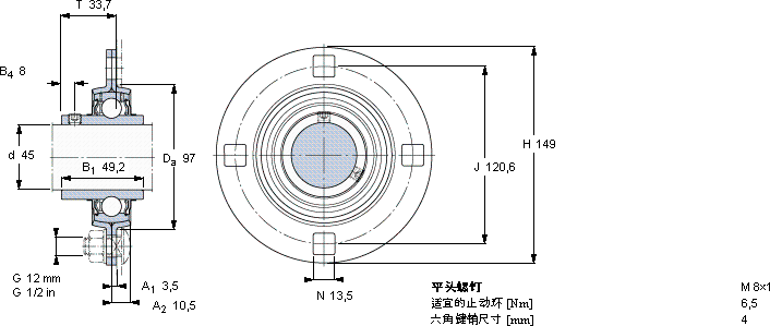
| Y-型轴承带法兰单元, 冲压钢轴承座,平头螺钉锁定, 带一个圆形法兰和三或四个螺栓孔, 公制轴承 |
 |
| 尺寸 | 基本负荷额定值 | 可允许住 | 质量 | 轴承单元 | 定购代号 |
| | 动态 | 静态 | 房装载 | 轴承 | | 轴承座 | 轴承 |
| d | Da | H | J | T | C | C0 | 径向 | 单元 | | | |
 |
| mm | kN | kN | kg | - |
 |
| 45 | 97 | 149 | 120,6 | 33,7 | 33,2 | 21,6 | 8,3 | 1,35 | PF 45 TF | PF 85 | YAR 209-2F |
SKFPF45TFY-轴承法兰单元供应商
- 八零动力专业销售PF45TFY-轴承法兰单元,库存SKFPF45TF大量现货,与SKF合作,咨询热线:022-58519723

- SKFPF45TF它在汽车工业中的应用,让车辆运行更加平稳 它在风力发电中的应用,为清洁能源贡献力量 它的精密设计,展现了人类智慧的巅峰 以精湛工艺制造工艺精湛,使得这款轴承的精度和稳定性都非常出色铸就卓越品质,,八零动力SKFY-轴承法兰单元品种全,价格优,质量有保证!
用户关注最多的SKF轴承型号
SKF22248CC/W33*
SKF22332-2CS5/VT143*
SKF22336CCK/W33+H2336
SKF6004-RZ
SKF627-RS
SKF71916ACE/HCP4A
SKFCR1400370
SKFCR360x404x20HDS2R
SKFCR460x520x25HDS2R
SKFCR58X80X12HMS5RG
SKFNKX45Z
SKFNU313ECM*
SKFPF1.11/16RM
SKFS71906DB/P7
SKFSY1.11/16TF/AH