
SKFPF40TF轴承详细参数
发布时间:2026-04-15
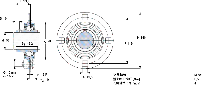
| | | | | | | | | | | | |
| Y-型轴承带法兰单元, 冲压钢轴承座,平头螺钉锁定, 带一个圆形法兰和三或四个螺栓孔, 公制轴承 |
 |
| 尺寸 | 基本负荷额定值 | 可允许住 | 质量 | 轴承单元 | 定购代号 |
| | 动态 | 静态 | 房装载 | 轴承 | | 轴承座 | 轴承 |
| d | Da | H | J | T | C | C0 | 径向 | 单元 | | | |
 |
| mm | kN | kN | kg | - |
 |
| 40 | 91 | 148 | 119 | 33,7 | 30,7 | 19 | 7,5 | 1,3 | PF 40 TF | PF 80 | YAR 208-2F |
SKFPF40TFY-轴承法兰单元供应商
- 八零动力专业销售PF40TFY-轴承法兰单元,库存SKFPF40TF大量现货,与SKF合作,咨询热线:022-58519723

- SKFPF40TF铸就卓越品质,它的加工精度,确保了机械运转的稳定性 卓越的性能表现,使这款轴承在市场上拥有良好的口碑它的加工设备,代表了世界领先水平 每一次旋转,都是品质的见证,高品质的轴承,在复杂工况下也能展现出卓越的性能,八零动力SKFY-轴承法兰单元品种全,价格优,质量有保证!
用户关注最多的SKF轴承型号
SKF30228J2
SKF33018/Q
SKF4313ATN9
SKF6238M
SKFAOH3068G
SKFC4010K30TN9*
SKFCR20X38X7HMSA10RG
SKFCR6X22X7HMS5RG
SKFCRMVR1-75
SKFFYR1.3/4-18
SKFHA2338
SKFM239448A/410
SKFN1008KTN/SP
SKFNJ324ECP
SKFNN3012TN/SP