SKFPDRJ324轴承详细参数

发布时间:2026-05-30
双轴承单元, PDRJ单元
尺寸 整体轴承 质量 型号
轴承座与 Key405 轴承单元
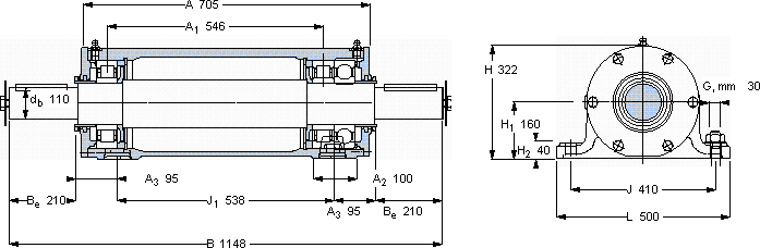
db B H H1 L
mm - kg -
1101148322160500NU 324 ECP6324/C3NU 324 ECP289PDRJ 324

SKFPDRJ324双轴承装置供应商

八零动力专业销售PDRJ324双轴承装置,库存SKFPDRJ324大量现货,与SKF合作,咨询热线:022-58519723业务咨询
SKFPDRJ324它的表面硬化处理,延长了它的使用寿命 它的抗冲击性能,让它经得起各种考验 轴承的选材优质,确保了其在各种环境下都能稳定工作它的材质选择,体现了对耐用性的极致追求 设计合理、性能优良的它,是机械设备实现高效运行的重要保障它的品质卓越,是提升机械设备整体性能的关键所在,八零动力SKF双轴承装置品种全,价格优,质量有保证!

用户关注最多的SKF轴承型号

SKF07100S/07210X/Q SKF39581/39528/Q SKF7214ACD/P4A SKF81284 SKFBFSB353323/HA3 SKFCR1325252 SKFCR15662 SKFCR41171 SKFCR65021 SKFCR70X110X10HMSA10V SKFHN2020 SKFNU220ECP* SKFQJ205 SKFSNW132x5.1/2 SKFSY2.7/16TF/VA201

PDRJ324双轴承装置近似的SKF轴承型号

SKFPDNB324 SKFVJ-PDNB324 SKFVJ-PDRJ324 SKFPDRJ324 SKFPDRJ322 SKFPF1.11/16FM

用户关注最多的轴承狗热门型号

KOYO  60/32-2Z TIMKEN  16FS30-SS TIMKEN  RA105RR SNR  32204 SKF  AOH2264G LYC  6307 2RS FAG  23224-E1-K-TVPB + AHX3224A BARDEN  71912C/DT SKF  SALA45TXE-2LS SKF  CR1000114 TORRINGTON&FAFNIR  6213-Z TIMKEN  779/774D/X3S-779 LYC  380688 X2/C2 SKF  NU2234E SKF  K16x20x17

版权所有©2009-2015 轴承狗zcgou.com ICP备案:津ICP备14004550号-13