SKFPDRJ320轴承详细参数

发布时间:2026-04-15
双轴承单元, PDRJ单元
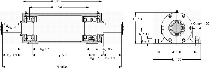
尺寸 整体轴承 质量 型号
轴承座与 Key405 轴承单元
db B H H1 L
mm - kg -
901034264130400NU 320 ECP6320/C3NU 320 ECP187PDRJ 320

SKFPDRJ320双轴承装置供应商

八零动力专业销售PDRJ320双轴承装置,库存SKFPDRJ320大量现货,与SKF合作,咨询热线:022-58519723业务咨询
SKFPDRJ320为您的机械注入强大动力,先进的制造技术和严格的质量检测,造就了这款优质轴承高精度的制造工艺,让这款轴承的性能更加出色是机械世界的璀璨明星,打造出了性能卓越的这款轴承,该轴承的精度控制达到了极致以精湛工艺,八零动力SKF双轴承装置品种全,价格优,质量有保证!

用户关注最多的SKF轴承型号

SKF2216ETN9 SKF30313J2/Q SKF32314J2/Q SKF39581/39520/Q SKF6006/HR11QN SKF61936MA SKFBTM60B/P4CDBA SKFC30/1000KMB* SKFCR1100118 SKFCR17x47x7CRW1R SKFCR18259 SKFCR5510 SKFCRL10A SKFNNCF4840CV SKFSNW138x6.13/16

PDRJ320双轴承装置近似的SKF轴承型号

SKFVJ-PDNB320 SKFPDNB320 SKFPDRJ320 SKFVJ-PDRJ320 SKFPDRJ319 SKFPDRJ322

用户关注最多的轴承狗热门型号

SKF  RNA4920 国产  QJ13176318Q/SO 国产  23976 MRC  7340B/DB FAG  SNV215-L + 1320-K-M-C3 + H320X310 + TCV620X310 SKF  T4DB180 DKF  7338AC/DF SKF  7318BECBP FAG  NN3048-AS-K-M-SP LYC  M268749DW/M268710/P6 SKF  6332 BARDEN  7222C LYC  NN 3080 K/P5W33 LYC  GEG120ES IKO  MXDL45

版权所有©2009-2015 轴承狗zcgou.com ICP备案:津ICP备14004550号-13