SKFPDRJ318轴承详细参数

发布时间:2026-04-14
双轴承单元, PDRJ单元
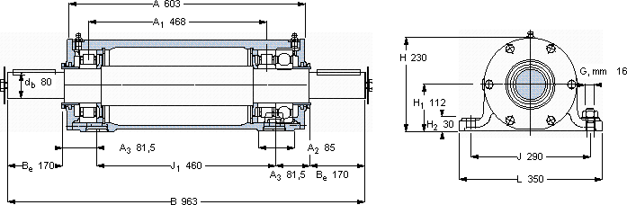
尺寸 整体轴承 质量 型号
轴承座与 Key405 轴承单元
db B H H1 L
mm - kg -
80963230112350NU 318 ECP6318/C3NU 318 ECP142PDRJ 318

SKFPDRJ318双轴承装置供应商

八零动力专业销售PDRJ318双轴承装置,库存SKFPDRJ318大量现货,与SKF合作,咨询热线:022-58519723业务咨询
SKFPDRJ318以卓越品质轴承的耐用性强,减少了设备的停机维护时间性能优越的轴承,极大地提升了设备的工作性能和效率制造工艺精湛,使得这款轴承的精度、稳定性和耐用性都非常出色轴承的精度极高,使得设备的运行误差被控制在极小范围内让您的机械如虎添翼,,八零动力SKF双轴承装置品种全,价格优,质量有保证!

用户关注最多的SKF轴承型号

SKF24024CCK30/W33* SKF3304A-2Z/MT33* SKF6210/W64* SKF71804ACD/P4 SKF71900CD/P4A SKF7207BEGAM* SKFBVNB328360/HA1 SKFC71915DB/P7 SKFCR405504 SKFFSYE3.H SKFKRE40PPA SKFNCF2915CV SKFQJ317N2MA* SKFS71915DB/P7 SKFSY1.5/8WF

PDRJ318双轴承装置近似的SKF轴承型号

SKFPDNB318 SKFPDRJ318 SKFVJ-PDNB318 SKFVJ-PDRJ318 SKFPDRJ317 SKFPDRJ319

用户关注最多的轴承狗热门型号

LYC  30306/P5 LYC  6201 E-2RZ/C3Z2 NTN  RNA6907 SNR  63/32-Z LYC  NN 3024 K/P5W33 SKF  OH3156HTL ASAHI  UKP208+H2308 SKF  S71909ACD/P4A NSK  23088CAME4 INA  ABE.KWSE25-OE-FPM INA  ZARN45105-L-TV KOYO  16004 国产  6304-2RS/Z3 SKF  240/500ECAK30/W33* IKO  NA6902

版权所有©2009-2015 轴承狗zcgou.com ICP备案:津ICP备14004550号-13