SKFPDRJ315轴承详细参数

发布时间:2026-04-14
双轴承单元, PDRJ单元
尺寸 整体轴承 质量 型号
轴承座与 Key405 轴承单元
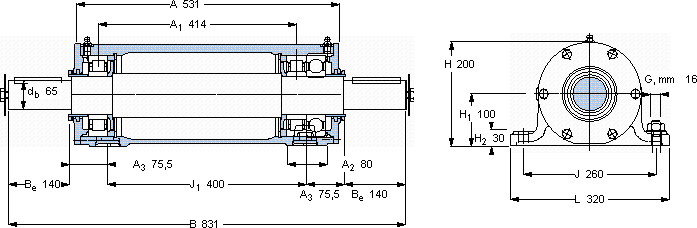
db B H H1 L
mm - kg -
65831200100320NU 315 ECP6315/C3NU 315 ECP85,5PDRJ 315

SKFPDRJ315双轴承装置供应商

八零动力专业销售PDRJ315双轴承装置,库存SKFPDRJ315大量现货,与SKF合作,咨询热线:022-58519723业务咨询
SKFPDRJ315打造出了性能卓越的这款轴承,该轴承的精度控制达到了极致轴承的耐用性出色,能够长时间保持良好的工作状态轴承的稳定性和可靠性表现出色,赢得了用户的高度认可它的可回收性,体现了环保理念 精湛的制造工艺赋予了这款轴承出色的性能和可靠性为您的机械注入强大动力,,八零动力SKF双轴承装置品种全,价格优,质量有保证!

用户关注最多的SKF轴承型号

SKF24020-2CS2/VT143* SKF5307A* SKFAOH3060 SKFC39/530M* SKFCR32582 SKFCR52X68X8HMS5RG SKFCR99352 SKFFSAF22613x2.1/8 SKFNNU4926K/W33 SKFPFT40WF SKFRNA4902 SKFRNA6919 SKFS7009CD/P4A SKFSYF40FM SKFT3FE075/QVB481

PDRJ315双轴承装置近似的SKF轴承型号

SKFVJ-PDNB315 SKFVJ-PDRJ315 SKFPDNB315 SKFPDRJ315 SKFPDPF2224 SKFPDRJ316

用户关注最多的轴承狗热门型号

SKF  CR23691 SKF  PF20TF NACHI  E30219J SKF  6300-2Z/VA201 LYC  22215 DI SNR  30217 MRC  7307C/DT SKF  K62x70x40ZW TIMKEN  3579/3525 国产  22372CM SKF  1213EKTN9+H213 NTN  3311A NSK  22226EAE4 TIMKEN  466/452D NACHI  7317CDT

版权所有©2009-2015 轴承狗zcgou.com ICP备案:津ICP备14004550号-13