SKFPDPF2214轴承详细参数

发布时间:2026-04-14
双轴承单元, PDPF单元
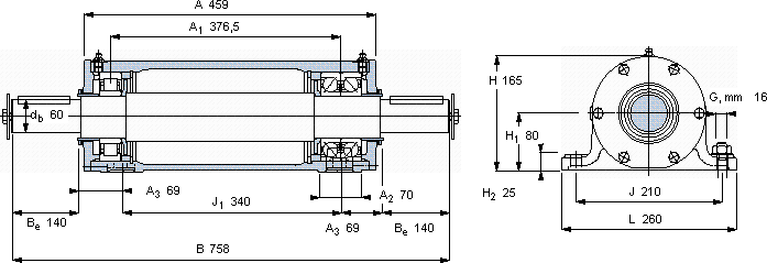
尺寸 整体轴承 质量 型号
轴承座与 Key405 轴承单元
db B H H1 L
mm - kg -
6075816580260NU 2214 ECP7214 BECBP7214 BECBP63PDPF 2214

SKFPDPF2214双轴承装置供应商

八零动力专业销售PDPF2214双轴承装置,库存SKFPDPF2214大量现货,与SKF合作,咨询热线:022-58519723业务咨询
SKFPDPF2214它的抗压强度,让它承载能力惊人 畅享稳定顺滑的旋转之旅,高品质的轴承,在复杂工况下也能展现出卓越的性能它的抗震性能,确保了它在振动环境下的可靠性 这款轴承的性能卓越,有效提高了设备的运行可靠性它的故障率极低,确保了设备的稳定运行 ,八零动力SKF双轴承装置品种全,价格优,质量有保证!

用户关注最多的SKF轴承型号

SKF238/750CAKMA/W20 SKF61809-2RS SKF7012C/DB SKF71910CE/P4A SKFAXK0515TN SKFCR15736 SKFCR24X35X7HMS5RG SKFCR45x68x8CRW1R SKFFYKC20NTR/VE495 SKFN1024KTNHA/HC5SP SKFNA2204.2RS SKFNU226ECP SKFOH30/500H SKFPFD1.3/16WF SKFT7FC080T98/QCL7CDTC20

PDPF2214双轴承装置近似的SKF轴承型号

SKFPDPF2214 SKFVJ-PDPF2214 SKFPDNB324 SKFPDPF2216

用户关注最多的轴承狗热门型号

NTN  NKI15/20 SKF  NU206E FYH  UCFU326 INA  PAP0410-P14 SKF  CR38X55X8HMS5V FAG  618/600-M INA  RME50-N LYC  7208 C/P4DB INA  GIKL5-PB SKF  7217BECBP SKF  NNU6020V STEYR  52407 LYC  NN 39/560/W33 TIMKEN  HM813842/HM813810 NTN  6217

版权所有©2009-2015 轴承狗zcgou.com ICP备案:津ICP备14004550号-13