SKFOH3276H轴承详细参数

发布时间:2026-05-29
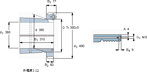
紧定套
尺寸 体积 型号
紧定轴套带螺母 锁定螺母 锁定装置 适宜的液压
d1 d d3 B1 G 和锁紧装置螺母
mm kg -
360380490310Tr 380x569,5OH 3276 HHM 3176MS 3176HMV 76 E

SKFOH3276H轴承附件供应商

八零动力专业销售OH3276H轴承附件,库存SKFOH3276H大量现货,与SKF合作,咨询热线:022-58519723业务咨询
SKFOH3276H它的轴向跳动控制,确保了机械的平稳运行 轴承的精度极高,使得设备的运行误差被控制在极小范围内它在医疗设备中的应用,确保了设备的稳定性 它的加工设备,代表了世界领先水平 就是选择高效与可靠优秀的设计理念和精湛的制造工艺,成就了这款优秀的轴承,八零动力SKF轴承附件品种全,价格优,质量有保证!

用户关注最多的SKF轴承型号

SKF3304A-RS SKF64450/64700 SKFBC2B322216 SKFBC4-8066/HA3 SKFBT4B332943/HA4 SKFCR15506 SKFCR524370 SKFGEH25ES-2LS SKFNNCF5022CV SKFNU306ECML* SKFNU1007 SKFPCM210215100E SKFSAF22516x2.5/8 SKFSI10E SKFSYNT65FW

OH3276H轴承附件近似的SKF轴承型号

SKFOH3276H SKFSNP3276x13.15/16 SKFAOH3276G SKFOH3272H SKFOH3280H

用户关注最多的轴承狗热门型号

SKF  BS2B243114 RIV  N416 SKF  N212ECM* SKF  CR53775 SKF  FY1.11/16TF/AH TIMKEN  495/493DC/X1S-495 NTN  241/630BK30 SKF  CR81389 LYC  89196 M MRC  7236B/DF NACHI  NP232 NTN  7909CDT LYC  011.45.1600.001 STEYR  NJ2314E IKO  CRW3-75SL

版权所有©2009-2015 轴承狗zcgou.com ICP备案:津ICP备14004550号-13