SKFOH3060H轴承详细参数

发布时间:2026-04-14
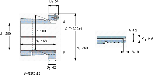
紧定套
尺寸 体积 型号
紧定轴套带螺母 锁定螺母 锁定装置 适宜的液压
d1 d d3 B1 G 和锁紧装置螺母
mm kg -
280300360168Tr 300x420,5OH 3060 HHM 3060MS 3060HMV 60 E

SKFOH3060H轴承附件供应商

八零动力专业销售OH3060H轴承附件,库存SKFOH3060H大量现货,与SKF合作,咨询热线:022-58519723业务咨询
SKFOH3060H制造工艺精湛,使得这款轴承的精度和稳定性都非常出色其设计和制造都达到了极高的水准,是一款不可多得的轴承它的轴向游隙控制,精准到令人惊叹 这款轴承的性能卓越,有效提高了设备的运行可靠性这轴承的稳定性极佳,即使在恶劣环境下也能正常工作它的质量过硬,为机械设备的高效、安全、稳定运行 ,八零动力SKF轴承附件品种全,价格优,质量有保证!

用户关注最多的SKF轴承型号

SKF22264CCK/W33+OH3164H* SKF32017X/QDF SKF51410 SKF7030BGM SKF81209 SKFCR160X190X13CRS11R SKFCR19234 SKFNK10/12 SKFIR30x35x13 SKFL183449/410 SKFNU30/670MA/342771 SKFRNAO100x120x30 SKFSIL12C SKFSNW126x4.7/16 SKFTUL25TH

OH3060H轴承附件近似的SKF轴承型号

SKFSNP3060x11 SKFHM3060 SKFSNP3060x10.15/16 SKFOH3060H SKFAOH3060 SKFMS3060 SKFOH3056H SKFOH3064H

用户关注最多的轴承狗热门型号

SKF  6021 BARDEN  7018C/DT SKF  HMV20E NACHI  29317EX SKF  6214/HC5C3 SKF  SYFL40TH SKF  CR27X43X7HMS5V NSK  7028ATYNP5 SKF  CR480x520x20HDS1R NSK  NJ2340EM NTN  NUP309E FAG  SNV190-L + 2318-K-M-C3 + H2318X303 + DHV518X303 NSK  F605 IKO  TLA810Z Stieber  DC167G-30

版权所有©2009-2015 轴承狗zcgou.com ICP备案:津ICP备14004550号-13