SKFNUP328ECM*轴承详细参数

发布时间:2026-04-15
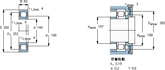
圆柱滚子轴承, 单列, NUP 设计
主要数据尺寸 基本负荷额定值 疲劳负荷限值 额定速度 体积 型号 适宜的斜挡圈
动态 静态 参照速度 限制速度 型号
d D B C C0 Pu * - SKF Explorer 轴承
mm kN kN r/min kg - -
14030062780830882400280023,5NUP 328 ECM *-

SKFNUP328ECM*圆柱滚子轴承供应商

八零动力专业销售NUP328ECM*圆柱滚子轴承,库存SKFNUP328ECM*大量现货,与SKF合作,咨询热线:022-58519723业务咨询
SKFNUP328ECM*这轴承的质量过硬,经得起时间和高强度工作的考验高精度与高可靠性的完美结合,成就了这款杰出的轴承坚固耐用它的精密装配,确保了整体性能的卓越 它的抗震性能,确保了它在振动环境下的可靠性 它的润滑技术,减少了摩擦和磨损 ,八零动力SKF圆柱滚子轴承品种全,价格优,质量有保证!

用户关注最多的SKF轴承型号

SKF1218K+H218 SKF14131/14276/Q SKF23080CCK/W33+OH3080H* SKF2x7312BEGAP* SKF6021-2Z* SKF6213-Z* SKF812/500 SKFFSAF22613x2.1/4 SKFNJ2328E+HJ2328E SKFNJ309ECP SKFNN3044K/SPW33 SKFNNCF5060CV SKFNU28/850MA SKFQJ336N2MA SKFSAF22610x1.5/8

NUP328ECM*圆柱滚子轴承近似的SKF轴承型号

SKFNUP328E SKFNU2328ECMA* SKFNUP2328ECMA SKFNU328E SKFNJ328ECM* SKFNJ328E+HJ328E SKFNJ328ECML* SKFNUP328ECM* SKFNU2328ECMA SKFNU328ECM* SKFNUP328ECJ* SKFNUP328ECML*

用户关注最多的轴承狗热门型号

SKF  C31/710KMB+OH31/710HE* TORRINGTON&FAFNIR  6017-Z NACHI  3918 国产  K10*13*10 NTN  6204NR SKF  RNA4822 NSK  MF104BZZ 国产  1209K 国产  381080 RIV  NJ2320 SKF  CR430x480x16HDS2R GMN  71915C/DT STEYR  7213B/DF NTN  51103 SKF  NJ326E

版权所有©2009-2015 轴承狗zcgou.com ICP备案:津ICP备14004550号-13