SKFNUP322ECP*轴承详细参数

发布时间:2026-04-14
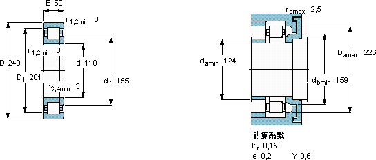
圆柱滚子轴承, 单列, NUP 设计
主要数据尺寸 基本负荷额定值 疲劳负荷限值 额定速度 体积 型号 适宜的斜挡圈
动态 静态 参照速度 限制速度 型号
d D B C C0 Pu * - SKF Explorer 轴承
mm kN kN r/min kg - -
11024050530540613000340011,2NUP 322 ECP *-

SKFNUP322ECP*圆柱滚子轴承供应商

八零动力专业销售NUP322ECP*圆柱滚子轴承,库存SKFNUP322ECP*大量现货,与SKF合作,咨询热线:022-58519723业务咨询
SKFNUP322ECP*为您的机械注入强大动力,它的润滑技术,减少了润滑剂的使用 顺滑无声它的可回收性,体现了环保理念 它的润滑技术,让摩擦降至最低 它在化工设备中的应用,展现了它的耐腐蚀性 ,八零动力SKF圆柱滚子轴承品种全,价格优,质量有保证!

用户关注最多的SKF轴承型号

SKF22232CC/W33 SKF71911ACE/HCP4A SKF7211B/DB SKFC41/600MB* SKFCR135x162x13CRSA1R SKFCR21910 SKFCR6191 SKFN226ECP SKFNN3026TN9/SP SKFNNCF5006CV SKFNUP305ECML* SKFS71917CD/P4A SKFSDAF230/530KAx19.1/2 SKFSIQG63ES SKFSIR20ES

NUP322ECP*圆柱滚子轴承近似的SKF轴承型号

SKFBCSB322213CD SKFNJ322ECP* SKFN322ECM* SKFNJ322ECJ* SKFNUP322ECJ* SKFBCRB322778 SKFNJ2322ECMA* SKFNU322ECM* SKFBC1B322770A/HB1 SKF313221 SKFNUP322ECML* SKFNUP324E

用户关注最多的轴承狗热门型号

SKF  6205N MRC  7326B/DF KOYO  33015 国产  NU2334M NACHI  6009ZE SKF  SAF1610 国产  51203 SKF  7004C/DT SKF  CR13676 SKF  KRV26PPA SKF  NCF3004CV SKF  FSYE4.-3 KOYO  46T32230JR/130 SKF  NUP2232ECMA* IKO  NAST15

版权所有©2009-2015 轴承狗zcgou.com ICP备案:津ICP备14004550号-13