SKFNUP318ECJ*轴承详细参数

发布时间:2026-04-15
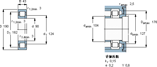
圆柱滚子轴承, 单列, NUP 设计
主要数据尺寸 基本负荷额定值 疲劳负荷限值 额定速度 体积 型号 适宜的斜挡圈
动态 静态 参照速度 限制速度 型号
d D B C C0 Pu * - SKF Explorer 轴承
mm kN kN r/min kg - -
901904336536043380045005,65NUP 318 ECJ *-

SKFNUP318ECJ*圆柱滚子轴承供应商

八零动力专业销售NUP318ECJ*圆柱滚子轴承,库存SKFNUP318ECJ*大量现货,与SKF合作,咨询热线:022-58519723业务咨询
SKFNUP318ECJ*轴承的精度极高,使得设备的运行误差被控制在极小范围内它的抗冲击能力,让它经久不衰 它的长寿命,减少了资源浪费 这款轴承的精度极高,能够满足对精度要求苛刻的设备开启顺畅运行新时代,它的轻量化设计,减少了运输成本 ,八零动力SKF圆柱滚子轴承品种全,价格优,质量有保证!

用户关注最多的SKF轴承型号

SKF22208EK* SKF24148CCK30/W33+AOH24148* SKF248/530CAMA/W20 SKF5308E-2Z SKF71932C/DT SKFBT4B332934/HA1 SKFCR15X40X10HMSA10V SKFNN3013TN/SP SKFNNC4964CV SKFNU208ECJ* SKFRNA4906RS SKFS71908ACD/P4A SKFSYR2.11/16N-118 SKFW634-2Z SKFZW25x32

NUP318ECJ*圆柱滚子轴承近似的SKF轴承型号

SKFNJG2318VH SKFNU318E SKFNUP318ECML* SKFNU3188ECMA/HB1 SKFNJ318E SKF313189A SKFNJ2318ECP SKFNUP2318ECP SKFNU318ECJ* SKFNJ2318ECJ* SKFNUP318ECJ SKFNUP318ECM*

用户关注最多的轴承狗热门型号

NACHI  240KBD030 FAG  BND3236-H-C-T-AL-S RIV  NU240 SKF  KMK13 国产  RST045 NTN  NUP416 FAG  22330-E1-K SKF  208-2ZNR NSK  LM1817 KOYO  68FC49300A SKF  RNA4912 国产  22326K STEYR  NJ238E IKO  CRW3-300SL IKO  NA6911U

版权所有©2009-2015 轴承狗zcgou.com ICP备案:津ICP备14004550号-13