SKFNUP317ECP*轴承详细参数

发布时间:2026-04-15
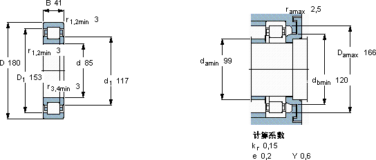
圆柱滚子轴承, 单列, NUP 设计
主要数据尺寸 基本负荷额定值 疲劳负荷限值 额定速度 体积 型号 适宜的斜挡圈
动态 静态 参照速度 限制速度 型号
d D B C C0 Pu * - SKF Explorer 轴承
mm kN kN r/min kg - -
851804134033541,5400048004,90NUP 317 ECP *-

SKFNUP317ECP*圆柱滚子轴承供应商

八零动力专业销售NUP317ECP*圆柱滚子轴承,库存SKFNUP317ECP*大量现货,与SKF合作,咨询热线:022-58519723业务咨询
SKFNUP317ECP*为您的工程保驾护航,质量上乘的轴承,是提升机械设备性能的关键因素它在冶金设备中的应用,确保了设备的高温性能 高精度的制造工艺,让这款轴承的性能更加出色轴承的性能可靠,为机械设备的稳定运行立下汗马功劳它的每一次转动,都是对精准度的极致追求 ,八零动力SKF圆柱滚子轴承品种全,价格优,质量有保证!

用户关注最多的SKF轴承型号

SKF330641CA SKF3322DMA SKF462/453X SKF71920ACE/HCP4A SKFAHX3224G SKFCR14058 SKFCR20x40x7CRW1V SKFCR2100529 SKFCR25x40x7CRW1V SKFCR90546 SKFJM205149/110/Q SKFN1021KTNHA/HC5SP SKFNNCF4872CV SKFNU213ECP SKFPCMF252816.5E

NUP317ECP*圆柱滚子轴承近似的SKF轴承型号

SKFNJ2317E SKFNJ2317ECML* SKFNJ317ECP SKFNU317ECP* SKFNJ2317ECP* SKFNJ317E SKFNJ317ECM* SKFNU2317ECJ* SKFNUP317E SKFNU2317ECML* SKFNUP317ECM* SKFNUP318E

用户关注最多的轴承狗热门型号

FAG  NU260-E-M1 NTN  6200N TORRINGTON FAFNIR  6305 NTN  NUP2316E TIMKEN  GYA012RR NACHI  30352 INA  GYE15-KRR-B LYC  T135 NACHI  6804ZENR NSK  75BER19H TIMKEN  48684/48620D LYC  NA 4844 A SKF  2309K IKO  CFE18VUU IKO  ST406080B

版权所有©2009-2015 轴承狗zcgou.com ICP备案:津ICP备14004550号-13