SKFNUP248MA轴承详细参数

发布时间:2026-05-29
圆柱滚子轴承, 单列, NUP 设计
主要数据尺寸 基本负荷额定值 疲劳负荷限值 额定速度 体积 型号 适宜的斜挡圈
动态 静态 参照速度 限制速度 型号
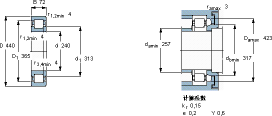
d D B C C0 Pu
mm kN kN r/min kg - -
2404407295213701291600220053,5NUP 248 MA-

SKFNUP248MA圆柱滚子轴承供应商

八零动力专业销售NUP248MA圆柱滚子轴承,库存SKFNUP248MA大量现货,与SKF合作,咨询热线:022-58519723业务咨询
SKFNUP248MA稳定旋转的核心力量它的抗冲击能力,让它经久不衰 引领行业速度,我们的轴承始终稳如磐石它的材质选择,体现了对耐用性的极致追求 高精度低摩擦它的精密装配,确保了整体性能的卓越 ,八零动力SKF圆柱滚子轴承品种全,价格优,质量有保证!

用户关注最多的SKF轴承型号

SKF24096ECA/W33* SKF5209A-2RS1* SKF6017NR* SKF7012ACE/P4A SKFBC4-8003/HA1VA907 SKFCR110X130X12HMS5RG SKFCR38X55X7HMS5V SKFCR528535 SKFNJ222ECM* SKFNKIS25 SKFNNCF4880CV SKFNU1068 SKFPCM131520B SKFPCMF101209E SKFSC7017FB/P7

NUP248MA圆柱滚子轴承近似的SKF轴承型号

SKFNJ248MA SKFNJ248 SKFNU2248MA SKFNUP248MA SKFNU248MA SKFNUB248MA SKFNUP248MA SKFNJ2248MA SKFNU248MA SKFNU2248MA SKFNUP248MA SKFNUP252MA

用户关注最多的轴承狗热门型号

RHP  7317B/DT SNR  7211B/DF SKF  CR21172 SKF  HM88542/2/510/2/QCL7C FAG  HCS7015-C-T-P4S NTN  22310CC/W33 ZKL  7314B/DB LYC  6205 E-2RZ/P5 SKF  32938T102/DB31 NACHI  NJ2238E STEYR  7332B/DB NACHI  H-JLM104948/H-JLM104910 INA  PAPZ2824-P10 FAG  SNV080-L + 21307-E1-K-TVPB + H307X103 + FSV607 TORRINGTON&FAFNIR  6210-RS

版权所有©2009-2015 轴承狗zcgou.com ICP备案:津ICP备14004550号-13