SKFNUP240ECMA*轴承详细参数

发布时间:2026-04-14
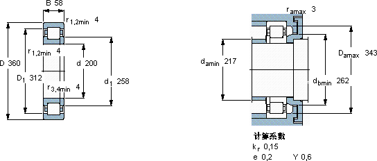
圆柱滚子轴承, 单列, NUP 设计
主要数据尺寸 基本负荷额定值 疲劳负荷限值 额定速度 体积 型号 适宜的斜挡圈
动态 静态 参照速度 限制速度 型号
d D B C C0 Pu * - SKF Explorer 轴承
mm kN kN r/min kg - -
2003605885010201001900280029,5NUP 240 ECMA *-

SKFNUP240ECMA*圆柱滚子轴承供应商

八零动力专业销售NUP240ECMA*圆柱滚子轴承,库存SKFNUP240ECMA*大量现货,与SKF合作,咨询热线:022-58519723业务咨询
SKFNUP240ECMA*每一次转动都是精准与力量的完美呈现,这款轴承的性能卓越,有效提高了设备的运行可靠性零误差起步它的轴向游隙控制,精准到令人惊叹 性能卓越的它,为机械设备的稳定运行提供了可靠保障轴承的性能可靠,为机械设备的稳定运行立下汗马功劳,八零动力SKF圆柱滚子轴承品种全,价格优,质量有保证!

用户关注最多的SKF轴承型号

SKF1211 SKF358155 SKF634055 SKF7200B/DB SKF7321BEGAM SKF7411BGBM SKF811/850M SKFCR135X170X12HMS5RG SKFCR47583 SKFFSAF22613 SKFNU214ECML* SKFP1.5/16FM SKFS71913ACD/P4A SKFS71921CD/P4A SKFSNL3076GF

NUP240ECMA*圆柱滚子轴承近似的SKF轴承型号

SKFNU2240ECMA SKFNU2240E SKFNU240E SKFNJ240E SKFNU240 SKFNJ240ECMA* SKFNU2240ECMA* SKFNUP240ECM* SKFNJ2240ECMA* SKFNU240ECM* SKFNUP240ECM* SKFNUP244ECMA

用户关注最多的轴承狗热门型号

SKF  CR25100 RIV  NJ312 ASAHI  UCFU309 SKF  CR11514 SKF  NU30/630/342771A FAG  HCB71902-E-2RSD-T-P4S SNR  7221C/DF SKF  CR85x105x10CRW1R KOYO  NNU49/560 LYC  1797/2500K4 DKF  7202AC/DT 国产  NUP307 FAG  SNV270-L + 20230-K-MB-C3 + H3030 + FSV530 KOYO  NU426 LYC  7010 ACM

版权所有©2009-2015 轴承狗zcgou.com ICP备案:津ICP备14004550号-13