SKFNUP238ECMA*轴承详细参数

发布时间:2026-04-16
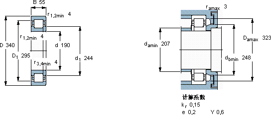
圆柱滚子轴承, 单列, NUP 设计
主要数据尺寸 基本负荷额定值 疲劳负荷限值 额定速度 体积 型号 适宜的斜挡圈
动态 静态 参照速度 限制速度 型号
d D B C C0 Pu * - SKF Explorer 轴承
mm kN kN r/min kg - -
19034055800965982000300025,0NUP 238 ECMA *-

SKFNUP238ECMA*圆柱滚子轴承供应商

八零动力专业销售NUP238ECMA*圆柱滚子轴承,库存SKFNUP238ECMA*大量现货,与SKF合作,咨询热线:022-58519723业务咨询
SKFNUP238ECMA*我们的轴承卓越的性能它的品质卓越,为机械设备的高效运行提供了坚实后盾卓越的性能和可靠的质量,让这款轴承成为市场的宠儿承载重托转动精彩高品质的轴承,在各种复杂工况下都能展现出卓越的性能表现,八零动力SKF圆柱滚子轴承品种全,价格优,质量有保证!

用户关注最多的SKF轴承型号

SKF1305K SKF33281/33462/Q SKF51103V/HR11T1 SKF7200B/DF SKF7203C/DB SKF7310BECBM* SKFAHX2311 SKFC4022K30MB* SKFCR2100228 SKFCR38X58X10HMS5RG SKFCR99850 SKFNN3028/SPW33 SKFNU324ECPH* SKFPCM556025E SKFSC71914DB/P7

NUP238ECMA*圆柱滚子轴承近似的SKF轴承型号

SKFNCF2238V SKFNUP238ECMA SKFNJ238E+HJ238E SKFNJ238ECM* SKFNUP238E SKFNU2238ECMA* SKFNJ238E SKFNU238ECMA* SKFNUP238ECM* SKFNU238ECMA SKFNUP238ECM* SKFNUP240E

用户关注最多的轴承狗热门型号

DKF  7314B/DT NTN  NJ2332E NTN  6206-RS LYC  6209 E-2RS INA  GAKR12-PW NACHI  N317 NSK  HR32011XJ SKF  7205BECBM SNR  7017AC/DB SKF  SDAF23276KAx13.15/16 FYH  UCK316 TIMKEN  55175/55444D/X2S-55176 SKF  CR32X52X7HMSA10RG SKF  SYH1.5/8TF/AH FAG  SNV230-L + 222S.407 + TSV526X407

版权所有©2009-2015 轴承狗zcgou.com ICP备案:津ICP备14004550号-13